EasyManua.ls Logo

Premier Hazard 9004 - HRT Detection; Horn Polarity Detection Method; Horn Bypass Relay Wiring; Bypass Relay Connection Guide

Premier Hazard 9004
12 pages
Print Icon
To Next Page IconTo Next Page
To Next Page IconTo Next Page
To Previous Page IconTo Previous Page
To Previous Page IconTo Previous Page
Loading...
8
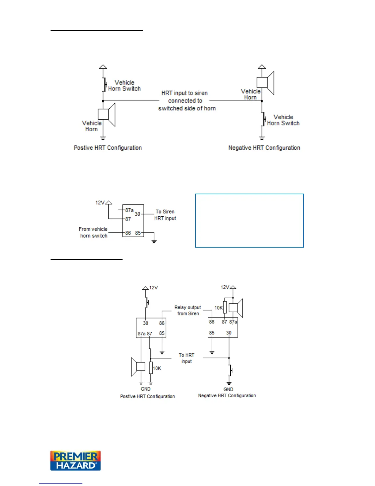
Positive & Negative HRT detection:
The Siren amplifier detects if the horn ring transfer is positive or negative switched at start up.
If the HRT input senses a positive feed it must be a negative switched horn, if it doesn’t sense a positive
feed it must be a positive switched horn. The HRT input just needs to be connected to the switched
side of the vehicle horn for the detection to work.
Occasionally there can be a problem when fitting over the top of an old system where a positive to
negative HRT change over relay has been fitted. As the siren amplifier is looking for a positive feed
when the horn is not pressed and no feed when the horn is pressed. Either connecting the positive
horn feed directly to the HRT input or wiring the relay as shown below should resolve this issue.
Wiring a horn bypass relay:
The diagram below shows how to connect the HRT input and relay output of the siren amplifier to
additional components to act as horn by pass for either a positive or negative switched horn.
Recommended resistor value: 10K, 0.25W, radial.
Key:
30 Common contact
87 Normally open contact
87a Normally closed contact
86 Coil positive input
85 Coil ground return

Related product manuals