EasyManua.ls Logo

Premier AF-40K - VALVE ASSEMBLY

Premier AF-40K
20 pages
Print Icon
To Next Page IconTo Next Page
To Next Page IconTo Next Page
To Previous Page IconTo Previous Page
To Previous Page IconTo Previous Page
Loading...
5
8
9
7
6
10
1
4
3
2
22
21
20
19
18
17
16
15
14
13
12
11
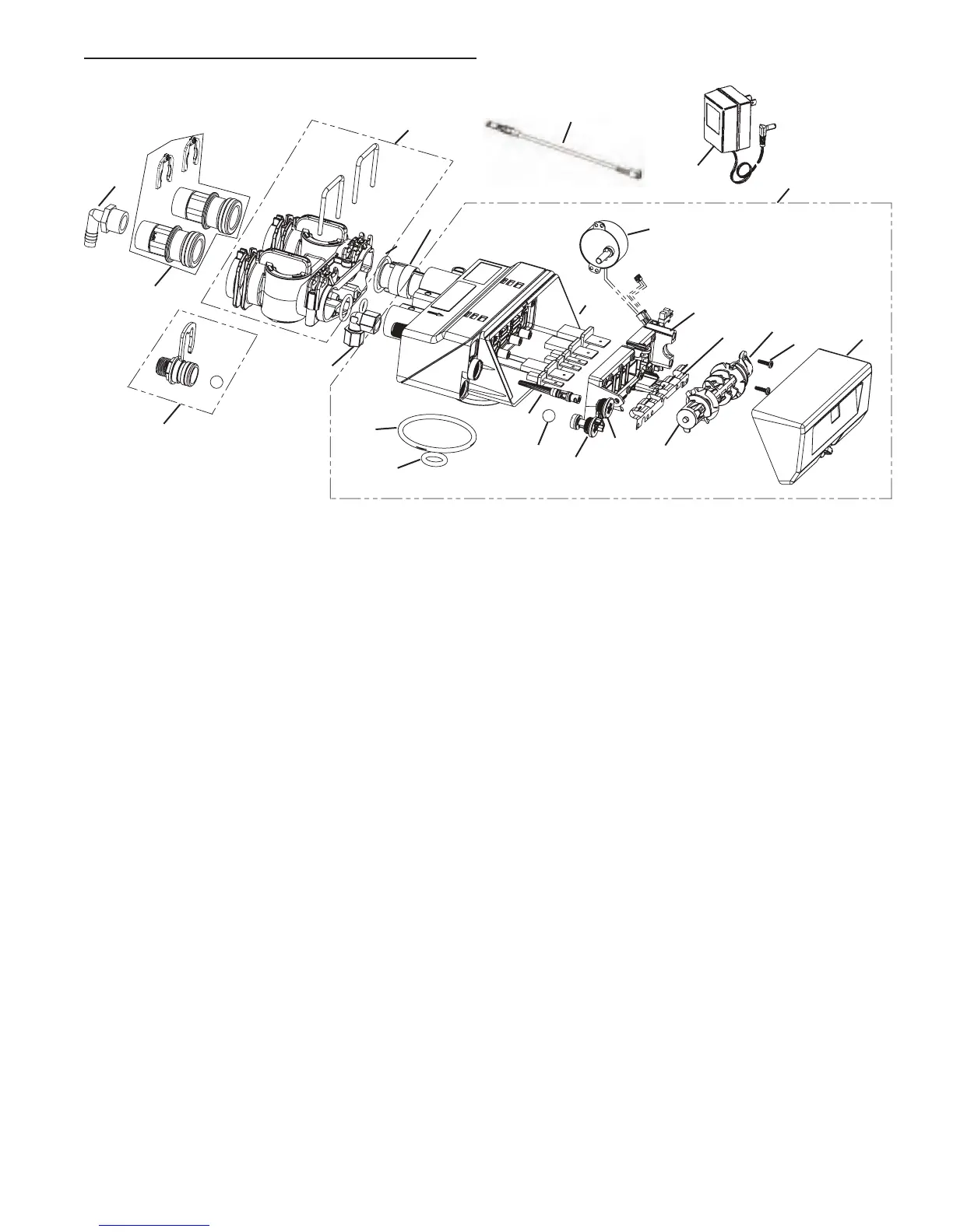
Item No. QTY Part No. Description
1 ............. 1 .......367208...........Assembly, Premier Controller
Cover
2 ............. 1 .......116182 ........... Valve Body Assy, Volumetric
Includes Item #18
3 ............. 1 .......367209........... Valve Disc Kit
4 ............. 1 .......367210........... Top Plate
5 ............. 1 .......125139........... Female Elbow, 3/8 NPT to
3/8 Tubing
6 ............ 12 ......146034........... Screw, Top Plate
7 ............. 1 .......367211 ...........Spring, Top Plate
8 ............. 1 .......367212........... Camshaft, Rell First
9 ............. 1 .......367213........... Yoke, Camshaft
10 ........... 2 .......146036........... Screw, Yoke
11 ...........1 .......270341...........368 Valve Motor/Optical
Sensor Assy
12 ........... 1 .......367214........... Injector Cap Assembly
13 ........... 1 .......367215........... “J” Injector, Lt Blue, 10 Inch
Tank
1 .......367216...........Screen
1 .......367217...........“J” Injector w/O-rings
14 ........... 1 .......622013........... Assembly, Rell Cont, .33
gpm
15 ........... 2 .......622014........... Ball, Backwash, Brine Rell
Controller
16 ........... 1 .......252229........... O-ring, Tank
17 ........... 1 .......252230........... O-ring, Riser
18 ........... 1 .......367218........... Meter Assembly
19 ........... 1 .......258261........... Assembly, Sensor Cable
20 ........... 1 .......252231........... Kit, O-ring, Manifold
21 ........... 1 .......116183 ........... Bypass
1 .......367224...........Main Assembly
2 .......367219...........Retainer, Manifold
2 .......228305...........Clips Retainer
1 .......252232...........Kit, O-ring Manifold
22 ........... 1 .......622015........... Kit, Drain Line Flow Control
1 .......622016...........Flow Control w/O-ring and
Clip Drain Line and Ball
23 ........... 1 .......258100........... 120 VAC, 60 Hz, N. America
Plug
24 ........... 2 .......125154........... Connector Assembly, 1" NPT,
Plastic, w/O-ring and Clip
Retainer
25 ........... 1 .......125155........... Fitting, Drain Line, 90°, 1/2"
NPT, 1/2" Tube
Item No. QTY Part No. Description
VALVE ASSEMBLY
23
24
25
Premier AF-40K MR12 • 15