EasyManua.ls Logo

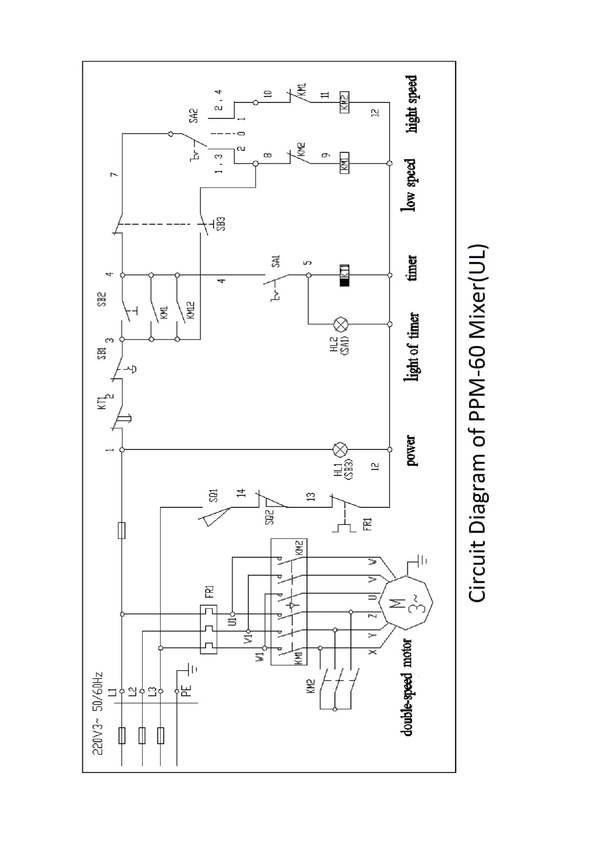
PrepPal PPM 60 - Circuit Diagram

PrepPal PPM 60
14 pages
Print Icon
To Previous Page IconTo Previous Page
To Previous Page IconTo Previous Page
Loading...
14

Related product manuals