EasyManua.ls Logo

Prestige Platinum+ APS 786 - Page 10

Default Icon
24 pages
Print Icon
To Next Page IconTo Next Page
To Next Page IconTo Next Page
To Previous Page IconTo Previous Page
To Previous Page IconTo Previous Page
Loading...
128-6531
10 of 24
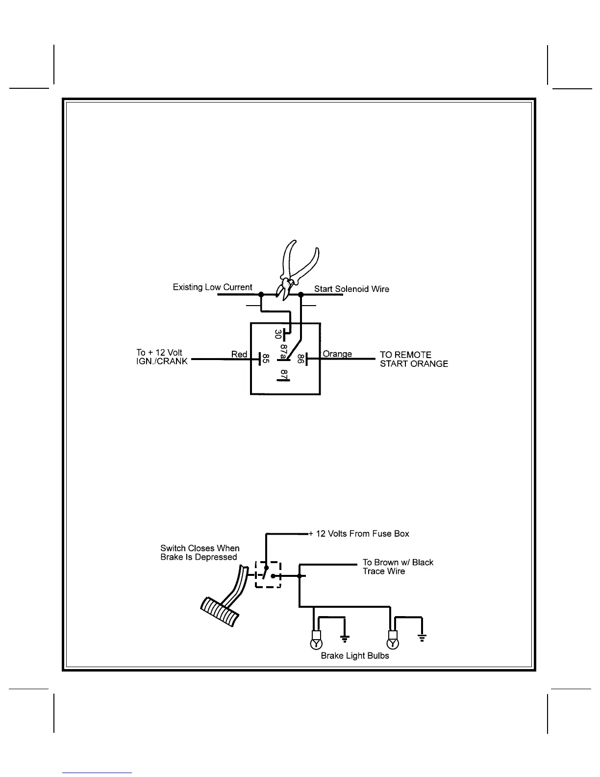
Orange Wire: Ground When Armed Output
This wire provides a 300 mA ground output when the alarm circuit is armed to control the starter inhibit
relay. Connect the Orange wire to terminal #86 (orange wire) of the relay provided. Connect terminal
#85 (red wire) of the relay to an ignition wire in the vehicle that is +12 volts when the ignition switch is
turned to the on and start positions and off when the key is off. Locate and cut the low current start
solenoid wire found at the vehicles ignition switch harness. This wire will have + 12 volts when the
ignition key is moved to the start (crank) position and will have 0 volts in all other key positions. Connect
one side of the cut wire to terminal #87a ( Black wire) of the relay. Connect the other side of the cut wire
to terminal #30 (White/Black wire) of the relay. See below for detail of wiring, also see Yellow Start wire
detail for connection to vehicle considerations.
Brown w/ Black Trace Wire: Positive Inhibit Input
The Brown w/ Black Trace wire provides an instant shutdown for the Remote Start Control module
whenever it gets + 12 volts. If the Brake lights switch in the vehicle switches + 12 volts to the brake light
circuit, connect the Brown w/ Black trace wire to the output side of the brake switch. This will allow the
Remote Start to shut down if an attempt is made to operate the vehicle without the key while running
under the control of the Remote Start. In most vehicles, in order to shift into gear, the brake pedal must
be depressed. The brake input will in turn cause the remote start unit to shut off. See detail in the
following diagram for wiring the brake light circuit.
Brake Switch Positive Shutdown Detail
Starter Inhibit Wiring Detail
10
Black
White/Black

Related product manuals