EasyManua.ls Logo

Prestige Platinum+ APS 786 - Page 14

Default Icon
24 pages
Print Icon
To Next Page IconTo Next Page
To Next Page IconTo Next Page
To Previous Page IconTo Previous Page
To Previous Page IconTo Previous Page
Loading...
128-6531
14 of 24
14
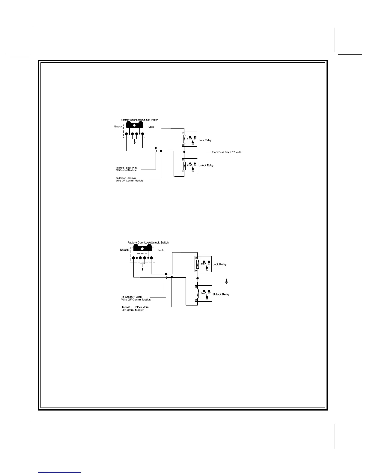
3 Wire Ground Switched Door Lock Circuits:
In this application, the Red wire of the door lock harness provides a ground pulse during the arming se-
quence, or pulsed ground lock output. Connect the Red wire to the low current ground signal wire from the
factory door lock switch to the factory door lock relay.
The Green wire of the door lock harness provides a ground pulse during the disarming sequence, or pulsed
ground unlock output. Connect the Green wire to the low current ground signal wire from the factory door
unlock switch to the factory door unlock relay. See Below For Wiring Detail.
3 Wire Positive Switched Door Locks:
In this application, the Red wire of the door lock harness provides a + 12 volt pulse during the disarming
sequence, or pulsed 12 volt unlock output. Connect the Red wire to the low current 12 volt signal wire from
the factory door unlock switch to the factory door unlock relay.
The Green wire of the door lock harness provides a + 12 volt pulse during the arming sequence, or pulsed
12 volt lock output. Connect the Green wire to the low current 12 volt signal wire from the factory door lock
switch to the factory door lock relay. See Below For Wiring Detail.
3 Wire Ground Switched 2 Step Door Locks
In this application, the red wire provides a ground pulse during arming, or the pulsed ground lock output.
Connect the red wire to the wire that provides a low current ground signal from the factory door lock switch
to the factory door lock control relay.
The green wire provides the first ground pulse during disarming, or the drivers door pulsed ground
unlock output. Connect this wire to the drivers door unlock relay that requires a low current ground signal
to unlock only the drivers door. If the vehicle does not have a separate drivers door relay, one will have to be
added. Locate the drivers door unlock motor wire and cut it at a convenient location to allow wiring of an
optional relay. Connect the door side of the cut wire to terminal 30 of the optional relay added. Connect the
vehicle side of the cut wire to terminal 87a of the optional relay added. Connect the green wire of the 3 pin
harness to terminal 86 of the optional relay added. Connect terminal 85 of the optional relay added to a
fused constant + 12 volt source. Most vehicles door lock/unlock motor legs rest at ground, and switch +12
volts to the door lock/unlock motor legs for operation, if this is the case in the vehicle you are working on,
connect the remaining terminal, 87, to a fused + 12 volt source. In the rare instance that the vehicle door
3 Wire Ground Switched Door Lock/Unlock Wiring Detail
3 Wire Positive Switched Door Lock/Unlock Wiring Detail

Related product manuals