EasyManua.ls Logo

Prestige Platinum+ APS 786 - Page 8

Default Icon
24 pages
Print Icon
To Next Page IconTo Next Page
To Next Page IconTo Next Page
To Previous Page IconTo Previous Page
To Previous Page IconTo Previous Page
Loading...
128-6531
8 of 24
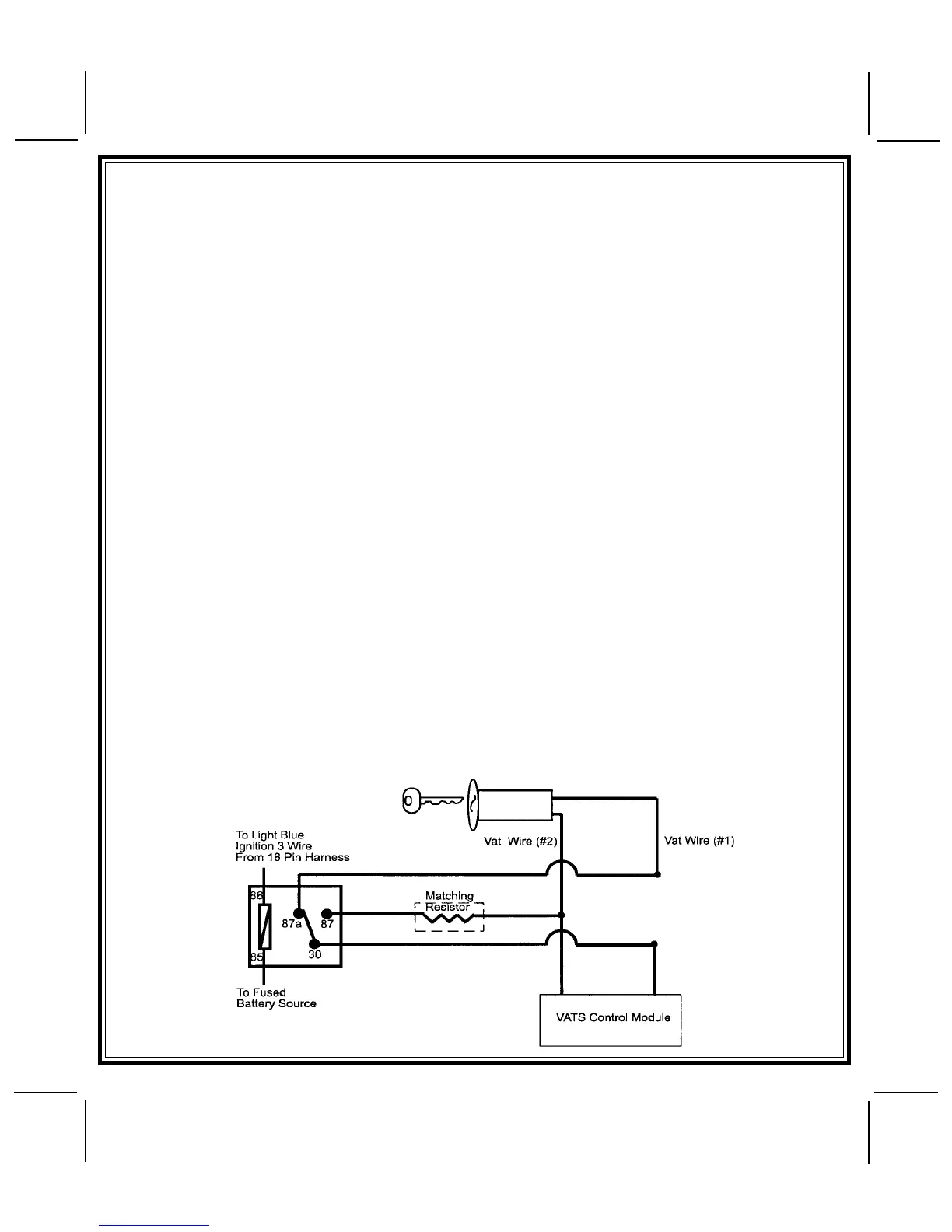
General Motors VATS By-Pass Diagram
Light Blue Wire: Ignition 3 Output
This wire provides a 300mA ground output that becomes active 3 seconds before the Remote Start Unit
initializes, and remains grounded while running plus an additional 4 seconds after the Remote Start Unit
turns off. In all of the applications described below, a relay will be required.
The Light Blue wire can be used to accommodate the following situations:
A. Shock Sensor By Pass:
If there is a Non Plug in Shock Sensor used with the alarm system and it is not shunted during the
Remote Start activation period, then vibration from the running vehicle can cause the alarm to trigger.
In this case, connect the Light Blue Wire to terminal #86 of a external relay. Connect terminal # 85 of
the relay to a fused + 12 volt battery source. Cut the shock sensor trigger wire and connect one end
of the cut wire to terminal #30 and the other end of the cut wire to terminal #87a. Just before the
Remote Start unit is activated, the relay contacts will open, preventing the shock sensor's operation
until the Remote Start unit shuts off.
B. Ignition 3 Output:
Some newer vehicles use a third ignition wire which is required to start and keep the vehicle's engine
running. If this is the case, connect the Light Blue wire to terminal #86 of an external relay. Connect
terminal # 30 & # 85 to a fused + 12 volt battery source rated for a minimum of 25 Amp. Connect
terminal # 87 to the third ignition wire in the vehicle.
C. GM VATS Key Override:
If the vehicle has the General Motors VATS system installed, you will need to by-pass the system
while the vehicle is operating under the control of the Remote Start Unit. To Do This;
1. Measure the resistance of the resistor pellet on the ignition key then select a resistor within 5% of
the key's value from the resistor pack supplied.
2. Locate the pair of VATS wires in the vehicle, usually a pair of thin gauge wires running from the
ignition switch to the VATS control module.
NOTE: These wires are typically White w/ Black trace and Violet w/ Yellow trace, however in later model
Cadillacs, they are run through an orange sleeve, and are either both Black, both Yellow, or both White
wires. Consult the factory service manual for additional information.
3. Connect the Light Blue Wire from the Remote Start Unit to terminal #86 of an external relay.
Connect terminal #85 of the relay to a fused + 12 volt battery source.
4. Cut (#1) wire (as shown), and connect the ignition switch side of the cut wire to terminal #87a of the
relay. Connect the other side of the (#1) wire to terminal #30.
5. Connect the previously selected resistor from terminal #87 to the second (#2) wire (as shown).
NOTE: The above information and following diagram is for the GM VATS system only. For GM PASS
LOCK System you will require the Audiovox AS-PASS II Module.
8

Related product manuals