EasyManua.ls Logo

Pride Amp Series - Screen and Bias Supplies; Low Voltage Supply

Pride Amp Series
40 pages
Print Icon
To Next Page IconTo Next Page
To Next Page IconTo Next Page
To Previous Page IconTo Previous Page
To Previous Page IconTo Previous Page
Loading...
32
Copyright © 2004 CBTricks.com
Pride DX300 CHAPTER 3
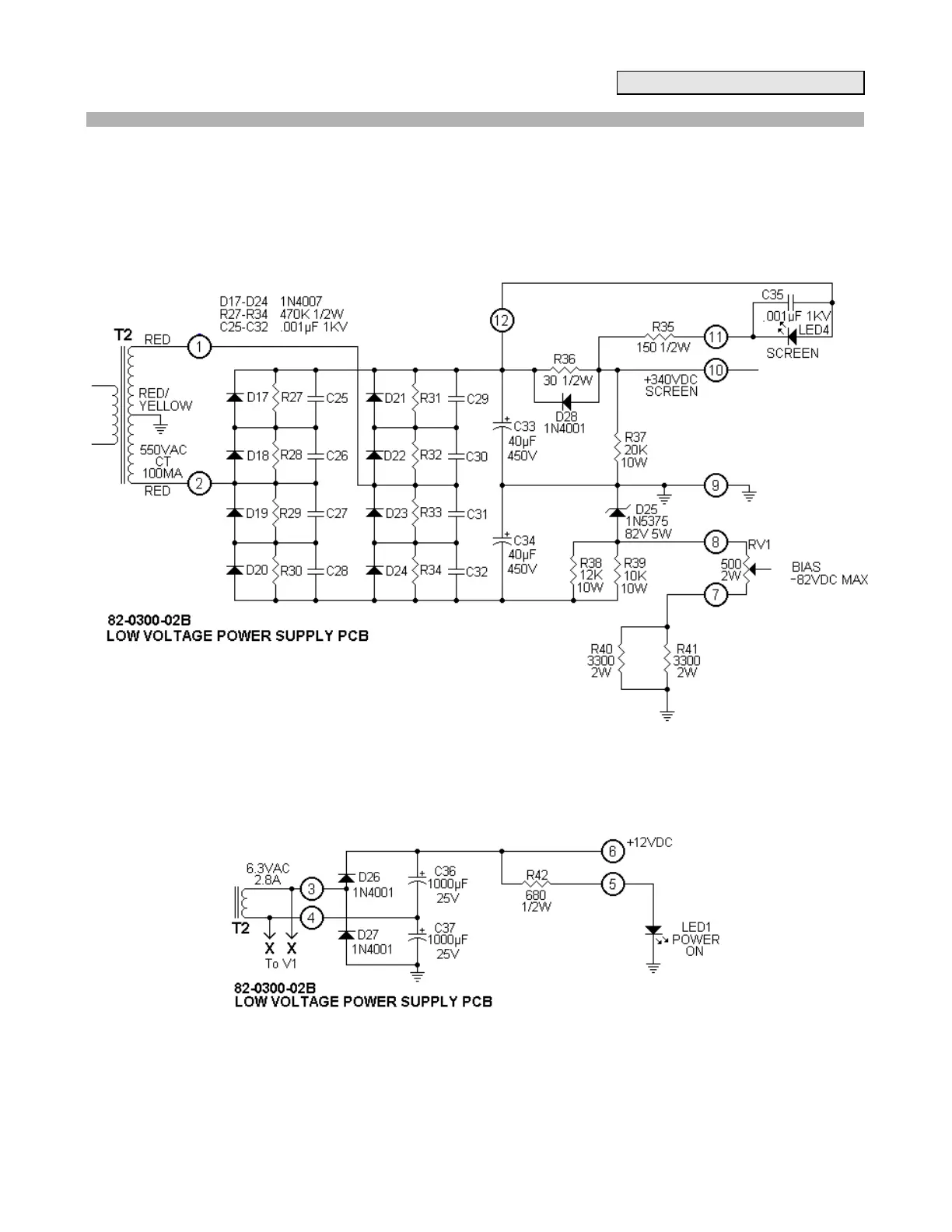
3.2 Screen and Bias Supplies PCB:
The screen and bias supply is also bridge rectified, but with a center tapped transformer and filter string that
allows a split output voltage. Approximately 700 VDC is developed across the two 40µf filter caps (C33, C34),
but due to the circuit configuration this shows up as +350 and -350 VDC. The +350 VDC is fed through a 30ohm
metering resistor (R36) to the screen current. The -350VDC is fed through two power resistors to provide source
current for an 82 volt Zener diode (D25) that provides a stable bias supply voltage.
This -82 volt supply is dropped in a voltage divider consisting of the back panel bias pot and two 3300ohm, 2W
resistors (R40, R41) to provide an adjustable, stable bias source for the tube control grid.
Figure 3-2 Screen and Bias Voltage Power Supply
3.3 Low Voltage Supply PCB:
This supply consists of a full wave voltage doubler, which is supplied from the 6.3volt filament winding on the
smaller transformer. 12 to 15 VDC is developed for use of the receive preamp, relays and indicators.
Figure 3-3 Low Voltage Power Supply

Related product manuals