EasyManua.ls Logo

Primus D11 - Page 143

Primus D11
160 pages
Print Icon
To Next Page IconTo Next Page
To Next Page IconTo Next Page
To Previous Page IconTo Previous Page
To Previous Page IconTo Previous Page
Loading...
70284701 141
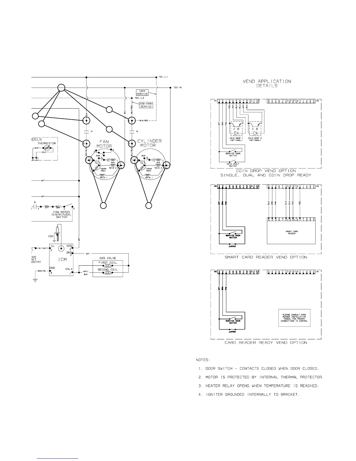
Section 9 NetMaster Troubleshooting - Motor will not start/run
© Copyright, Alliance Laundry Systems LLC – DO NOT COPY or TRANSMIT
MOTOR WILL NOT START/RUN
(Sheet 2 of 2)
4
5
8
7
6 9
TMB271S
TMB271S

Table of Contents

Related product manuals