EasyManua.ls Logo

Primus D11 - Unit Will Not Heat (Gas)

Primus D11
160 pages
Print Icon
To Next Page IconTo Next Page
To Next Page IconTo Next Page
To Previous Page IconTo Previous Page
To Previous Page IconTo Previous Page
Loading...
142 70284701
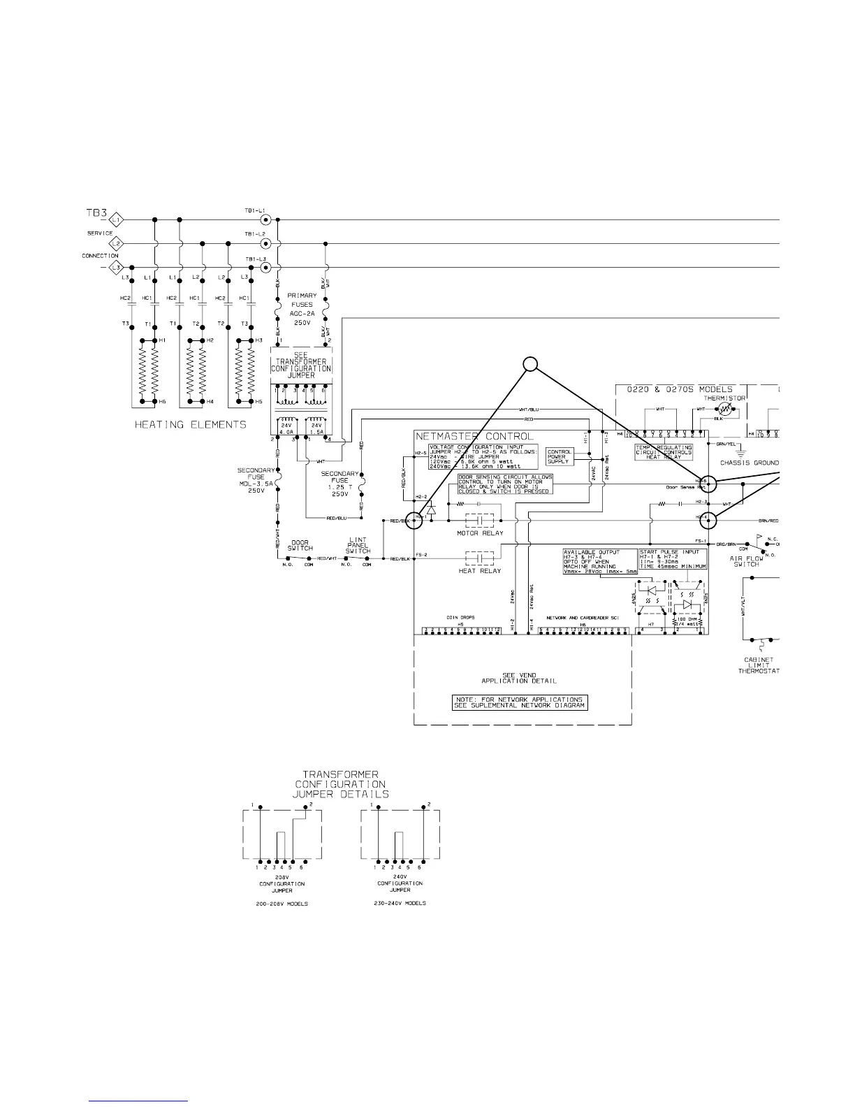
Section 9 NetMaster Troubleshooting - Motor will not start/run
© Copyright, Alliance Laundry Systems LLC – DO NOT COPY or TRANSMIT
MOTOR WILL NOT START
(Sheet 1 of 2)
1

Table of Contents

Related product manuals