EasyManua.ls Logo

Pro-Form 6.5Q - Page 19

Pro-Form 6.5Q
19 pages
Print Icon
To Previous Page IconTo Previous Page
To Previous Page IconTo Previous Page
Loading...
22
65
48
25
24
56
25
35
76
76
35
42
25
40
25
40
25
85*
81
72
79
71
70
69
70
70
3
52
6
32
59
86
66
87
72
2
46
10*
34
12
17
20*
21
25
27
19
18
31
30
29
33
43
36
38
44
37
45
50
15
48
48
39
51
11
23
81
25
58
53
36
37
38
40
33
33
33
60
33
33
73
61
63
70
15
53
34
69
68
67
48
5
5
74
84
83
39
83
39
7
40
57
28
62
16
38
38
75
13
4
66
66
54
73
80
25
25
33
13
14
66
39
53
62
85*
39
1
41
1
41
61
49
49
77
9
8
13
66
53
13
71
49
79
78
26
70
82
52
6
3
32
49
49
65
22
64
55
88
72
39
39
39
39
89
66
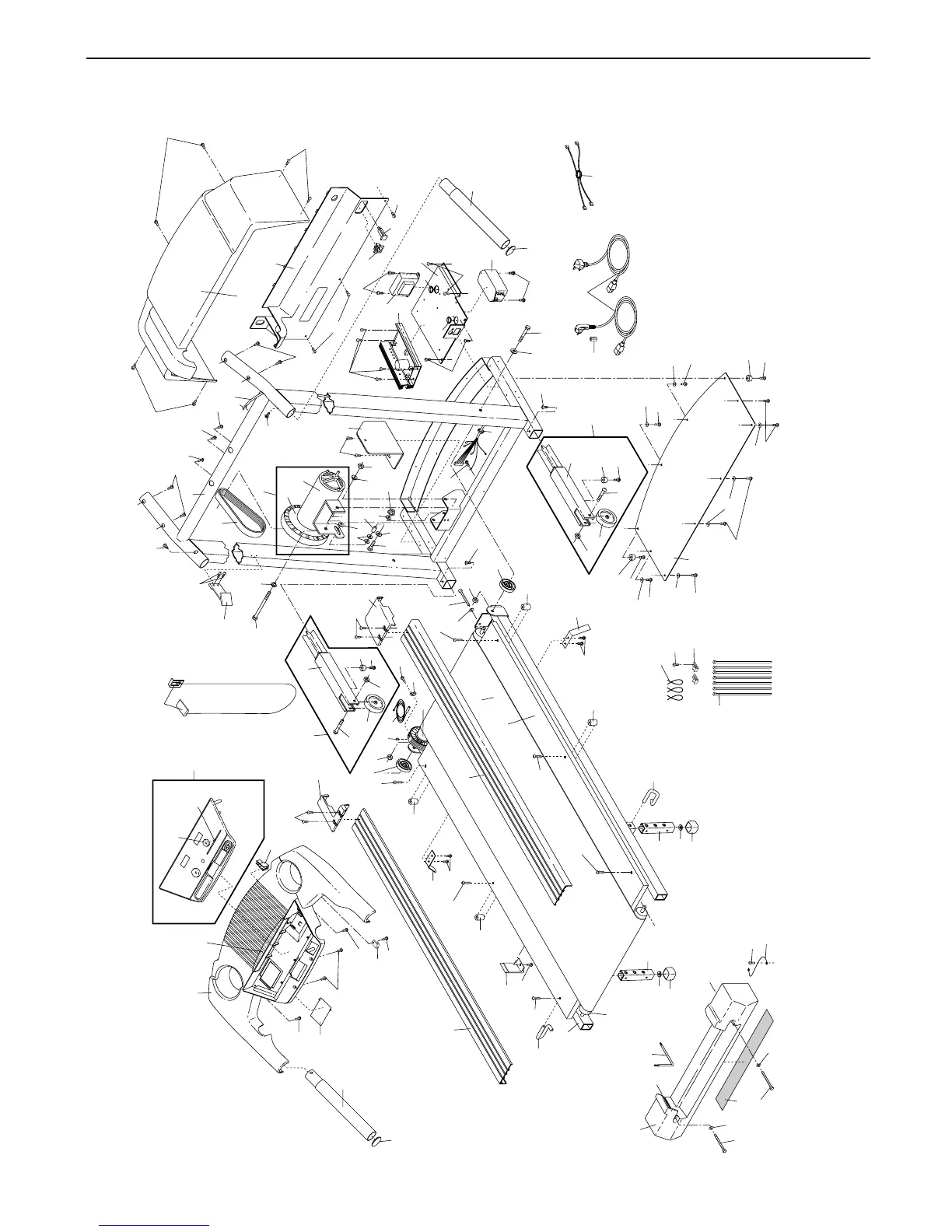
EXPLODED DRAWING—Model No. PETL54021 R0602A

Other manuals for Pro-Form 6.5Q

Related product manuals