EasyManua.ls Logo

ProArc TR-0103 - Part List 3.1 Parts List - Main Frame (TR-0103 P)

Default Icon
16 pages
Print Icon
To Next Page IconTo Next Page
To Next Page IconTo Next Page
To Previous Page IconTo Previous Page
To Previous Page IconTo Previous Page
Loading...
6
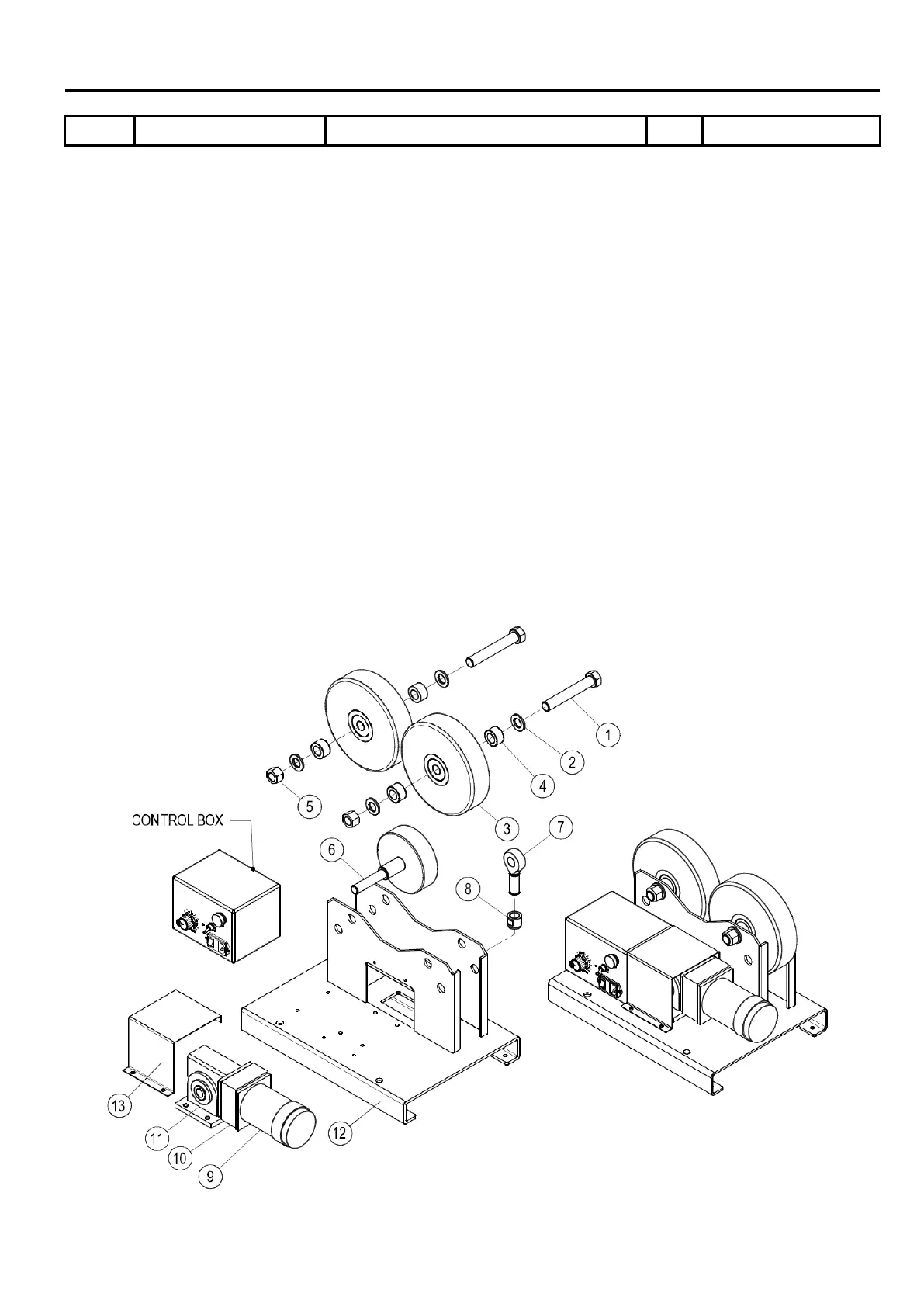
3.1 PARTS LIST MAIN FRAME ( TR-0103P )
Item.
Part No.
Description
Q’ty.
Remark
1 5118-02271103030-10 Axle screw 2
2 0121-2000 Washer 4
3 5041-1030000-10 PU Wheel with bearing 2
4 5118-02271103040-10 Spacer 4
5 0123-2000 Hex Nut 2
0222-2000 Washer 2
6 5041-1020000-10 Main drive wheel 1
7 0311-2001 Joint bearing 1
8 5118-02271104020-10 Internal Stud 1
9
0361-1002-9
PMDC Motor & connector
10 0351-0109 Gear reducer 1
11 0352-0501 Worm gear reducer 1
12
5118-02271101000-11
Main wheel assembly
13 5118-02271106010-10 Motor cover 1
Recommended spare parts

Related product manuals