EasyManua.ls Logo

ProArc TR-0103 - Parts List - Adapter (Option)

Default Icon
16 pages
Print Icon
To Previous Page IconTo Previous Page
To Previous Page IconTo Previous Page
Loading...
9
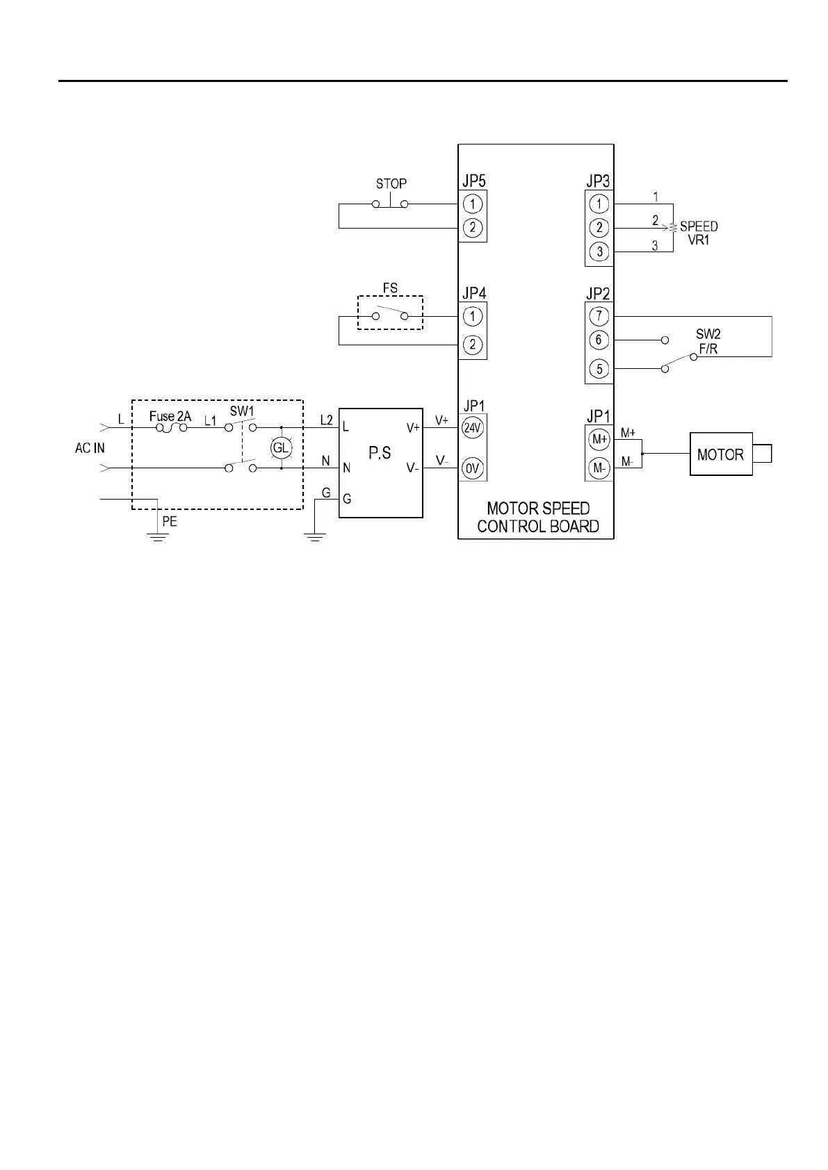
4. CICUIT DIAGRAM

Related product manuals