EasyManua.ls Logo

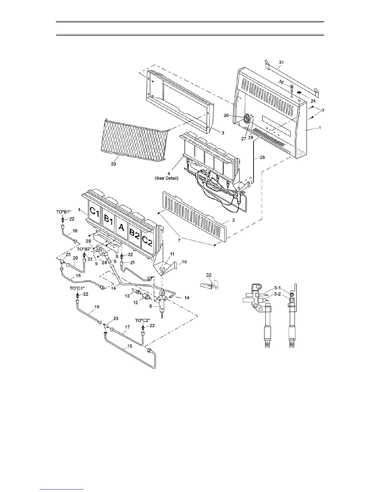
Procom ML250TPA - Parts Identification Diagram (ML250 HPA)

Default Icon
36 pages
Print Icon
To Next Page IconTo Next Page
To Next Page IconTo Next Page
To Previous Page IconTo Previous Page
To Previous Page IconTo Previous Page
Loading...
www.usaprocom.com
200045-01A
26
PARTS
MODEL ML250HPA
ODS Pilot Assembly
Burner Assembly

Related product manuals