EasyManua.ls Logo

PROFAX WP220 - Exploded Drawing and Parts List

PROFAX WP220
20 pages
Print Icon
To Next Page IconTo Next Page
To Next Page IconTo Next Page
To Previous Page IconTo Previous Page
To Previous Page IconTo Previous Page
Loading...
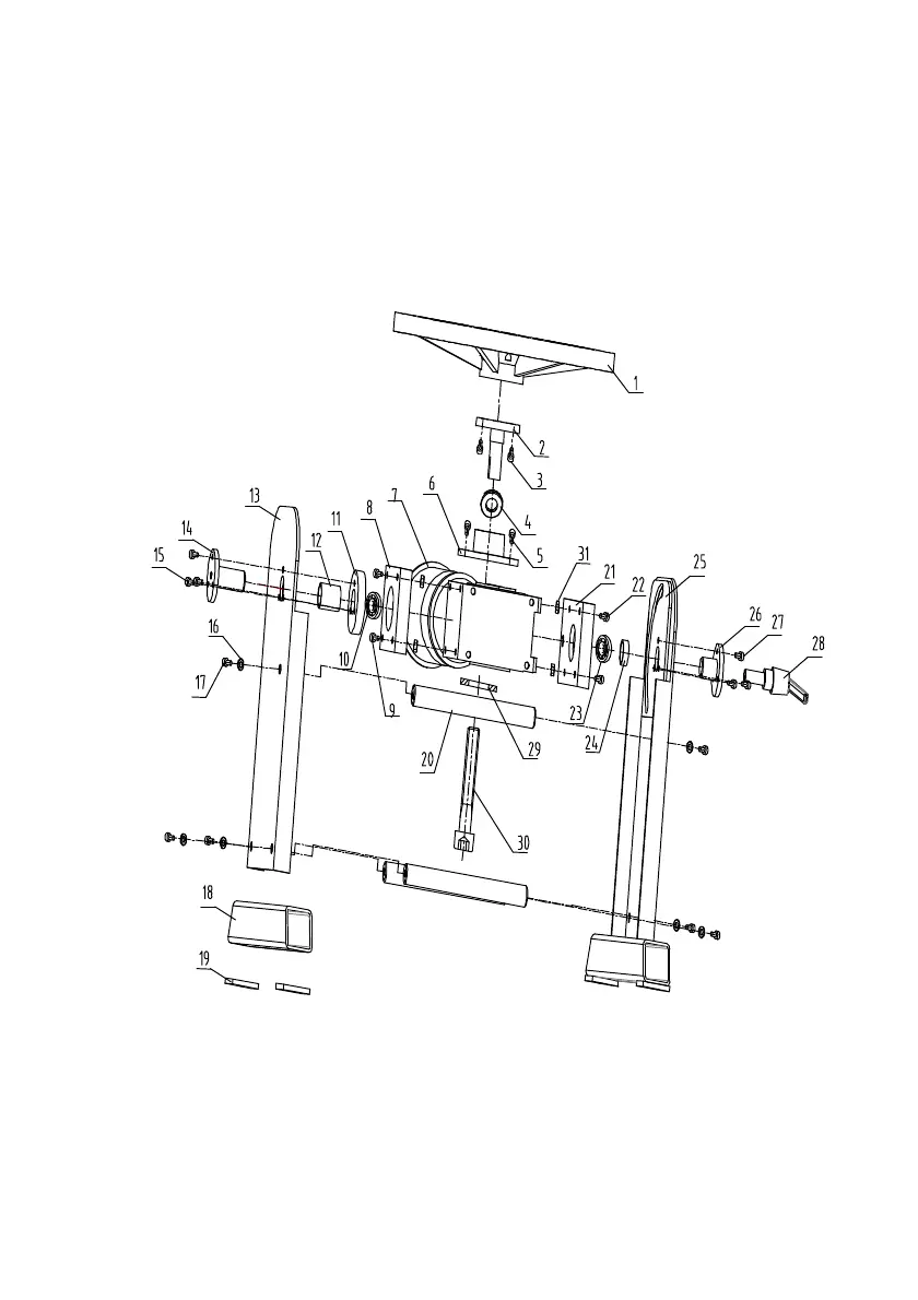
6. Exploded drawing and parts list
6.1 Drawing and parts list WP220
14

Related product manuals