EasyManua.ls Logo

PROFAX WP220 - Page 16

PROFAX WP220
20 pages
Print Icon
To Next Page IconTo Next Page
To Next Page IconTo Next Page
To Previous Page IconTo Previous Page
To Previous Page IconTo Previous Page
Loading...
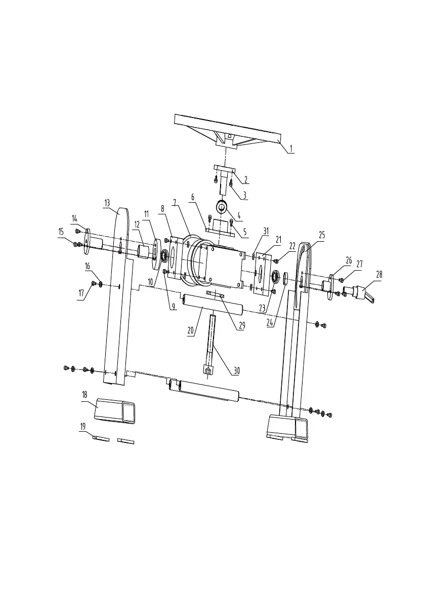
6.2 Drawing and parts list WP350
16

Related product manuals