EasyManua.ls Logo

ProForm 580 si - Exploded Drawing - Model No. 831.297641

ProForm 580 si
21 pages
Print Icon
To Next Page IconTo Next Page
To Next Page IconTo Next Page
To Previous Page IconTo Previous Page
To Previous Page IconTo Previous Page
Loading...
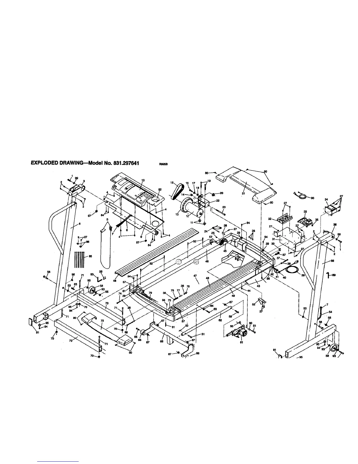
EXPLODED DRAWING--Model No. 831.297641
Rg_B
2
7O
73
84
78
79
67
13
78
47
\
46
23
45
21
43
27
27
4O

Related product manuals