EasyManua.ls Logo

ProForm 831.299260 - Page 25

ProForm 831.299260
26 pages
Print Icon
To Next Page IconTo Next Page
To Next Page IconTo Next Page
To Previous Page IconTo Previous Page
To Previous Page IconTo Previous Page
Loading...
108
107
109
87
77
89
89
46
46
116
50
117
117
89
20
86
15
86
15
103
30
97
101
96
97
101
83
84
84
83
82
84
16
84
94
101
91
99
69
72
105
47
16
34
23
80
73
20
47
110
110
108
107
85
76
46
46
90
76
10**
79
79
118**
84
84
101
97
101
97
95
103
95
119
120*
120*
104
104
9
9
97
101
9
97
101
9
121
121
102
111
112
113
114
115
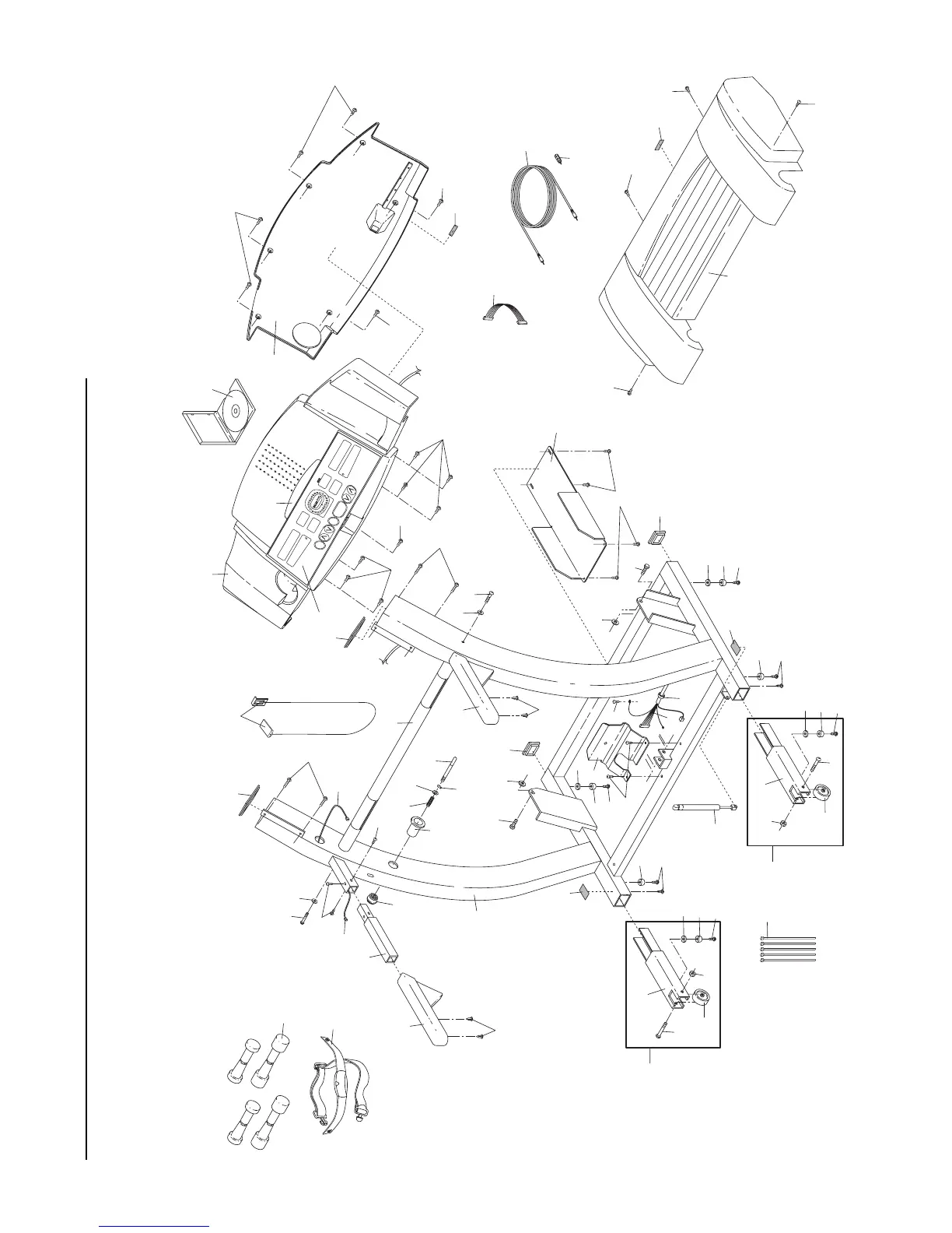
EXPLODED DRAWINGÑModel No. 831.299260 R0400A

Related product manuals