EasyManua.ls Logo

Proliphix IMT - Page 22

Proliphix IMT
27 pages
Print Icon
To Next Page IconTo Next Page
To Next Page IconTo Next Page
To Previous Page IconTo Previous Page
To Previous Page IconTo Previous Page
Loading...
Beta Draft Confidential
Installing and Wiring the Thermostat
Proliphix Internet Managed Thermostat (IMT) Installation Guide 15
Part No. 600-03100-000, Rev. 4
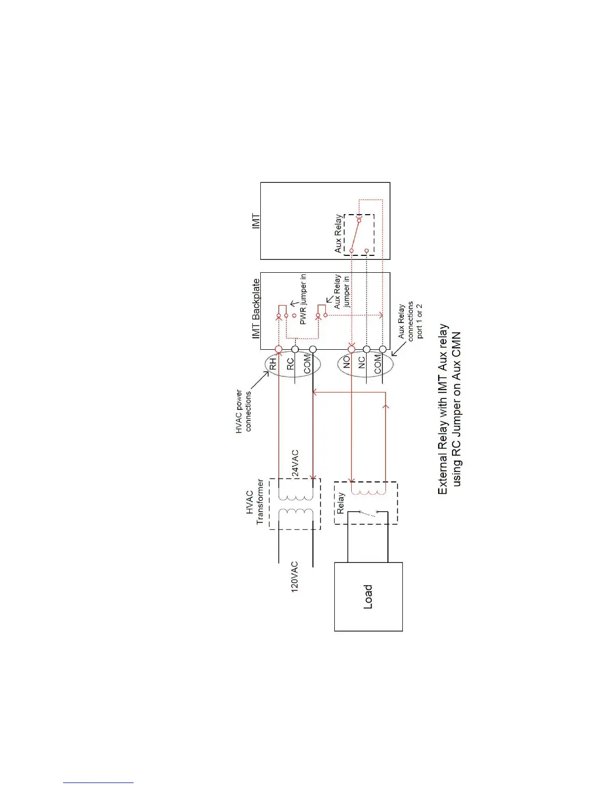
Auxiliary Relay Setup Using the HVAC Transformer 24 VAC Source
Figure 9 shows the aux relay being used with an HVAC 24v transformer supplying
power to the circuit.
Figure 9 Circuit Diagram of Relay Setup Using the HVAC Transformer 24VAC
Source

Related product manuals