EasyManua.ls Logo

pumpa PC-59 - Page 14

pumpa PC-59
Print Icon
To Next Page IconTo Next Page
To Next Page IconTo Next Page
To Previous Page IconTo Previous Page
To Previous Page IconTo Previous Page
Loading...
SK
14
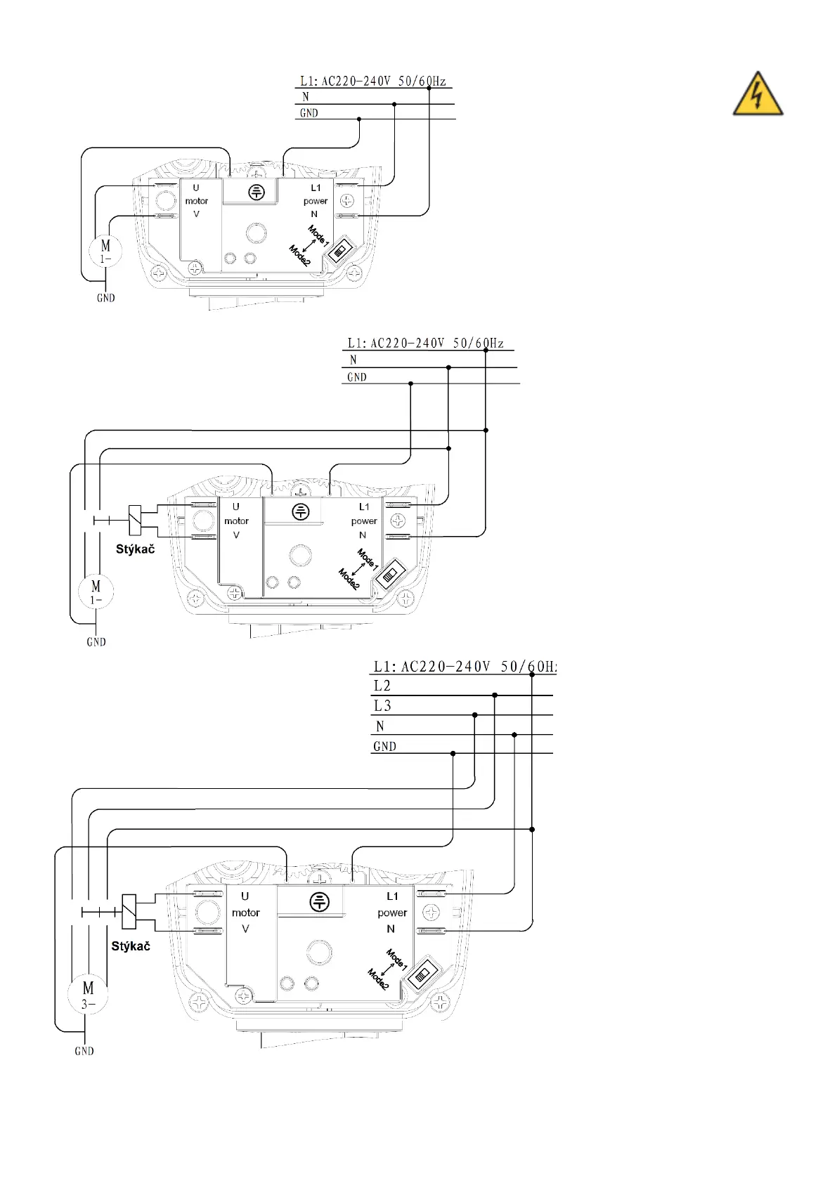
Pripojenie k jednofázovému
napätiu 230 V, maximálny
výkon 1,1 kW, schéma
zapojenia čerpadla.
Prostredníctvom stýkača je
regulátor pripojený k
jednofázovému napätiu 230
V, výkon je vyšší ako 1,1 kW,
schéma zapojenia vodného
čerpadla. Špecifikácia cievky
stýkača pre AC230V,
kapacita regulátora nie je
menšia ako 4 kW.
Prostredníctvom stýkača je
regulátor pripojený k 400V
trojfázovému napätiu, výkon
je vyšší ako 1,1 kW, schéma
zapojenia vodného čerpadla.
Špecifikácie cievky stýkača
pre AC230V, kapacita
regulátora nie je menšia ako
4 kW.
Obrázok č.3

Related product manuals