EasyManua.ls Logo

pumpa PC-59 - Page 6

pumpa PC-59
Print Icon
To Next Page IconTo Next Page
To Next Page IconTo Next Page
To Previous Page IconTo Previous Page
To Previous Page IconTo Previous Page
Loading...
CZ
6
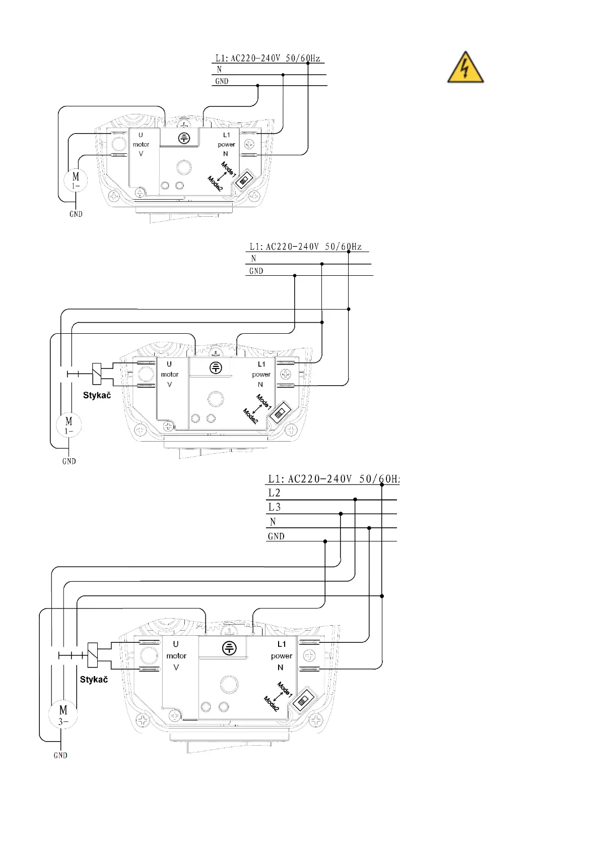
Připojení k jednofázovému
napětí 230 V, maximální
výkon čerpadla 1,1 kW.
Připojení prostřednictvím
stykače u jednofázového
napětí 230 V a výkonu
čerpadla vyšším než 1,1 kW.
Připojení k třífázovému
napětí 400 V prostřednictvím
stykače.
Obrázek č.3

Related product manuals