EasyManua.ls Logo

QEP 700XT - Exploded Parts Diagram; Despiezado; Pièces Éclatées

Default Icon
36 pages
Print Icon
To Next Page IconTo Next Page
To Next Page IconTo Next Page
To Previous Page IconTo Previous Page
To Previous Page IconTo Previous Page
Loading...
– 11 –
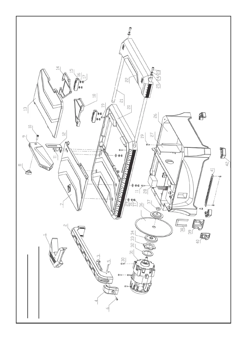
EXPLODED PARTS
PIÈCES ÉSCALATÉES
DESPIEZADO
6-7003Q

Related product manuals