EasyManua.ls Logo

Qtx PAL12 - Rear Panel

Qtx PAL12
8 pages
Print Icon
To Next Page IconTo Next Page
To Next Page IconTo Next Page
To Previous Page IconTo Previous Page
To Previous Page IconTo Previous Page
Loading...
PAL12 PAL15 User Manual
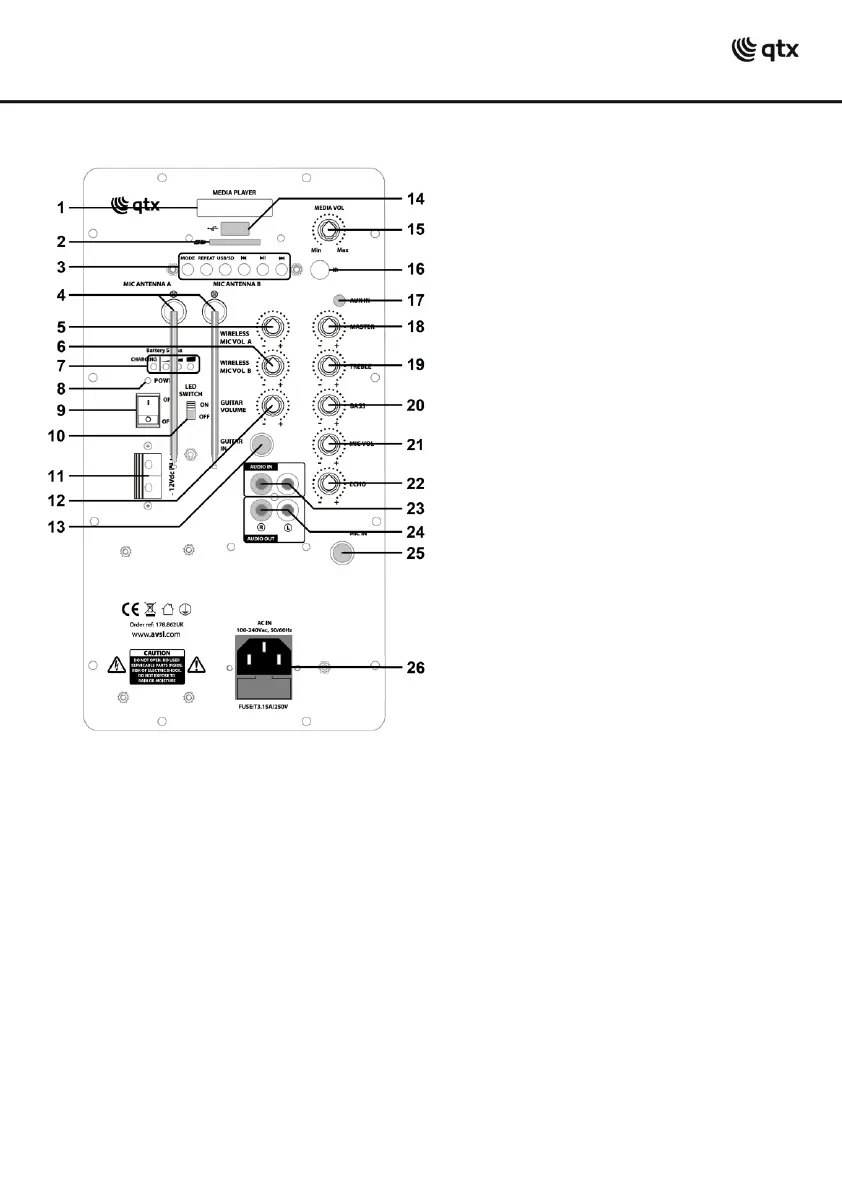
Rear Panel
Powering up
Your new PAL SERIES portable home PA unit may arrive with the internal battery charged.
Before connecting to the mains, turn down all volume controls and switch the unit on (9) and
the power LED should light (8). The battery charge status is shown on 4 LED indicators (7).
If there is little or no charge, you will need to charge the battery before using away from
mains power.
Connect the PAL SERIES unit to the mains using the IEC power lead supplied (26).
When not in use but connected to the mains, if the POWER switch (9) is in the OFF position,
the internal battery will be re-charged from the mains supply, indicated by a CHARGING LED
(7) which lights when charging.
You may otherwise opt to connect the DC input at the rear (11) to an external 12Vdc supply
(e.g. car battery) or use the internal battery if charged.
1
Media player display
2
SD/MMC card slot
3
Media player controls
4
VHF microphone antennas
5
VHF microphone A volume
6
VHF microphone B volume
7
Battery status LEDs
8
Power LED
9
Power on/off switch
10
Front LED lights power on/off
11
12Vdc power input terminals
12
Guitar input volume control
13
Guitar input 6.3mm jack
14
USB port
15
Media player volume control
16
I.R. remote receiver
17
3.5mm AUX input
18
Master volume
19
Treble boost/cut
20
Bass boost/cut
21
Wired mic input volume control
22
Echo effect level
23
Audio line input L+R RCA
24
Audio line output L+R RCA
25
Wired mic input 6.3mm jack
26
IEC mains power inlet & fuse holder

Related product manuals