EasyManua.ls Logo

Quad Electroacoustics QUAD 405 - CIRCUIT DESCRIPTION

Quad Electroacoustics QUAD 405
24 pages
Print Icon
To Next Page IconTo Next Page
To Next Page IconTo Next Page
To Previous Page IconTo Previous Page
To Previous Page IconTo Previous Page
Loading...
CIRCUIT DESCRIPTION
The QUAD 405 is ã two channel power amplifier primarily intended for use in high quality sound reproducing
systems. The amplifier is usually used with QUAD control units though other signal sources can readily be
accommodated.
Û amplifier uses â current dumping output circuit, á Œ invention which eliminates many of Á problems
associated with transistor amplifiers, and covered by patents in several countries.
In ä current dumping amplifier there is in effect both a low powered very high quality amplifier and a high powered
heavy duty amplifier. Û low power amplifier controls the loudspeakers at all times, calling upon the high power
section to provide most of the muscle. The small amplifier is so arranged - it carries an error signal - that provided
the larger power transistors (the dumpers) get within the target area of the required output current it will fill in the
remainder accurately and completely. The reproduced quality is solely dependent on thê small amplifier which
because of its low power can be made very good indeed.
Problems of crossover, crossover distortion, quiescent current adjustment, thermal tracking, transistor matching,
all disappear. Ûre are no internal adjustments or alignments and thë choice of power transistor types is less
restrictive.
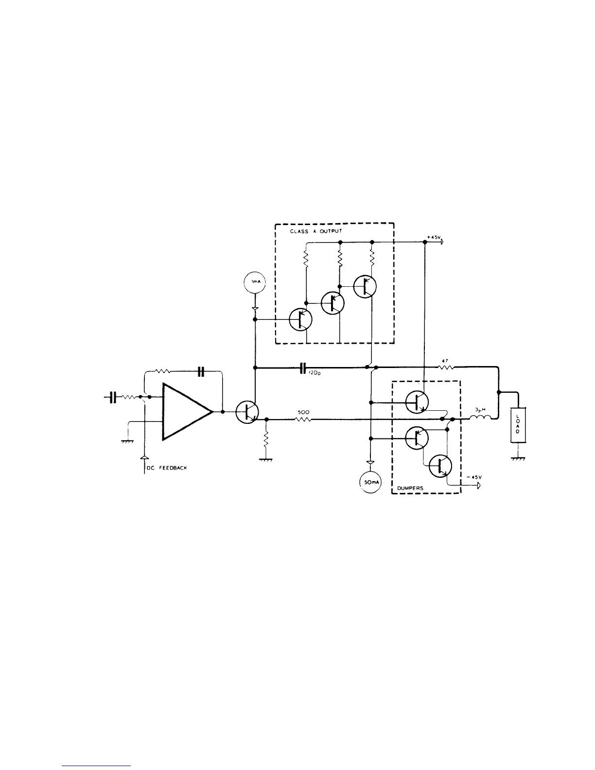
Fig. 1
Simplified Schematic of QUAD 405 Amplifier showing Class A, Dumpers and Bridge Components.
3