EasyManua.ls Logo

Quick DV5 Dave Series - Page 9

Quick DV5 Dave Series
34 pages
Print Icon
To Next Page IconTo Next Page
To Next Page IconTo Next Page
To Previous Page IconTo Previous Page
To Previous Page IconTo Previous Page
Loading...
9
DV5 1700/2000/2300/3000W - IT EN - REV002B
IT
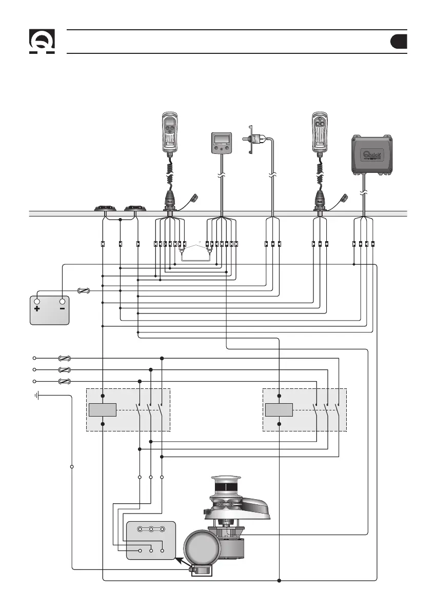
SCHEMA DI COLLEGAMENTO TRIFASE
24V
KM1
W2
U1
R
S
T
L1 XP
PE XP
R
V1 W1
U1
V1
W1
XP XP XP
U2 V2
U1 V1 W1
24V
KM2
FU1 8 -16A aM
FU1 8 -16A aM
L2 XP
S
FU1 8 -16A aM
L3 XP
T
R S T
M
1
SISTEMA BASE DV5 3000W 400V
CONTACATENA A
PULSANTIERA
MOD. CHC1102 M
CONTACATENA PER
ANCORAGGIO
MOD. CHC1202 M
-
+
DOWN
UP
BLU
MARRONE
NERO
BLU
MARRONE
NERO
DOWN
SENSORE
UP
-
+
CAN H
CAN L
GRIGIO
ROSSO
VERDE
MARRONE
BIANCO
BLU
NERO
BLU
MARRONE
NERO
150
CAN H
CAN L
CAN H
CAN L
SALPA ANCORA
MOTORE
400V CA Max
3KW
MORSETTIERA
BATTERIA 24V
PULSANTIERA
MULTIUSO
MOD. HRC1002
RADIO RECEVITORE RRC
MOD. R02 (2CH)
COMANDO
DA PLANCIA
MOD. 800
MOD. 900/D
DOWN
PULSANTI A PIEDE
MOD. 900/U
UP
SENSORE

Related product manuals