EasyManua.ls Logo

Quick DV5 Dave Series - Connection Diagram

Quick DV5 Dave Series
34 pages
Print Icon
To Next Page IconTo Next Page
To Next Page IconTo Next Page
To Previous Page IconTo Previous Page
To Previous Page IconTo Previous Page
Loading...
20
DV5 1700/2000/2300/3000W - IT EN - REV002B
EN
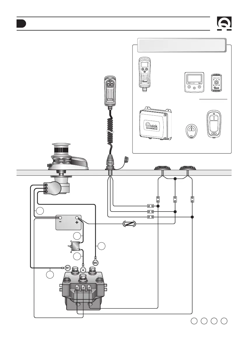
CONNECTION DIAGRAM
BASIC SYSTEM DV5 1700-2000-2300W
MULTI-PURPOSE
WATERTIGHT HAND HELD
REMOTE CONTROL
MOD. HRC 1002
WINDLASS
MOTOR
BATTERY
HYDRAULIC-MAGNETIC
CIRCUIT BREAKER
CONTACTOR UNIT
MOD. T6315-12 (12V)
MOD. T6315-24 (24V)
C
A2
FOOT SWITCHES MOD. 900U AND 900D
BLACK
BROWN
BLUE
BROWN
BLACK
BLUE
A1
FUSE
4A (12V)
2A (24V)
L = L1 + L2 + L3 + L4
L4
L2
L3
L1
L3
WINDLASSES
CONTROL BOARD
MOD.800
WATERTIGHT HAND HELD
CHAIN COUNTER
MOD. CHC 1102 M
QUICK
®
ACCESSORIES
FOR WINDLASS OPERATION
TRANSMITTERS
RRC REMOTE RADIO CONTROLS
HANDHELD
MOD. H02
RECEIVER
MOD. R02
RADIO POCKET
MOD. P02
WATERTIGHT PANEL
CHAIN COUNTERCHC
1202 M

Related product manuals