EasyManua.ls Logo

Quick RG5 Series - Page 23

Quick RG5 Series
34 pages
Print Icon
To Next Page IconTo Next Page
To Next Page IconTo Next Page
To Previous Page IconTo Previous Page
To Previous Page IconTo Previous Page
Loading...
23
EN
RG5 1700/2000/2300/3000W IT EN - REV006A
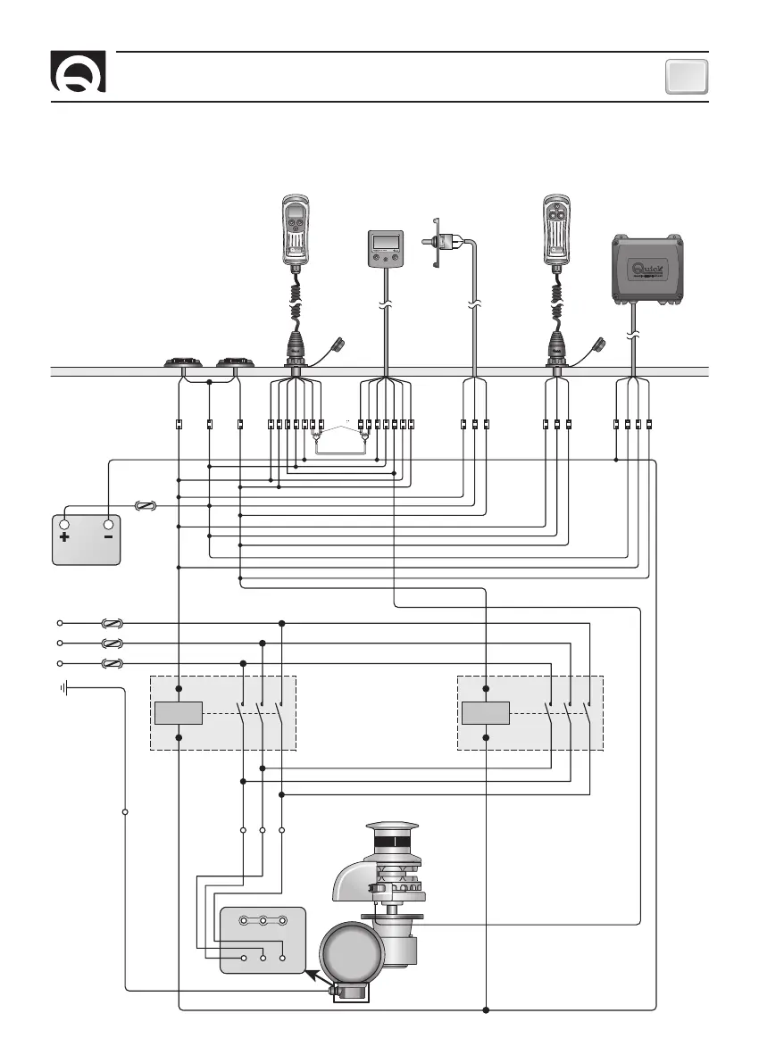
M
1
24V
KM1
W2
U1
R
S
T
L1 XP
PE XP
R
V1 W1
U1
V1
W1
XP XP XP
U2 V2
U1 V1 W1
24V
KM2
FU1 8 -16A aM
FU1 8 -16A aM
L2 XP
S
FU1 8 -16A aM
L3 XP
T
R S T
M
1
BASIC SYSTEM RG5 3000W 400V
WINDLASS
MOTOR 400V CA
Max 5,5KW
TERMINAL BOARD
BATTERY 24V
SENSOR
THREE-PHASE CONNECTION DIAGRAM
WATERTIGHT
HAND HELD
CHAIN-COUNTER
MOD. CHC1102 M
WATERTIGHT PANEL
CHAIN-COUNTER
MOD. CHC1202 M
-
+
DOWN
UP
BLUE
BROWN
BLACK
BLUE
BROWN
BLACK
DOWN
SENSOR
UP
-
+
CAN H
CAN L
GREY
RED
GREEN
BROWN
WHITE
BLUE
BLACK
BLUE
BROWN
BLACK
150
MULTI-PURPOSE
WATERTIGH HAND HELD
REMOTE CONTROL
MOD. HRC1002
RADIO RECEIVER RRC
MOD. R02 (2CH)
WINDLASS
CONTROL BOARD
MOD. 800
MOD. 900/D
DOWN
FOOT SWITCH
MOD. 900/U
UP

Related product manuals