EasyManua.ls Logo

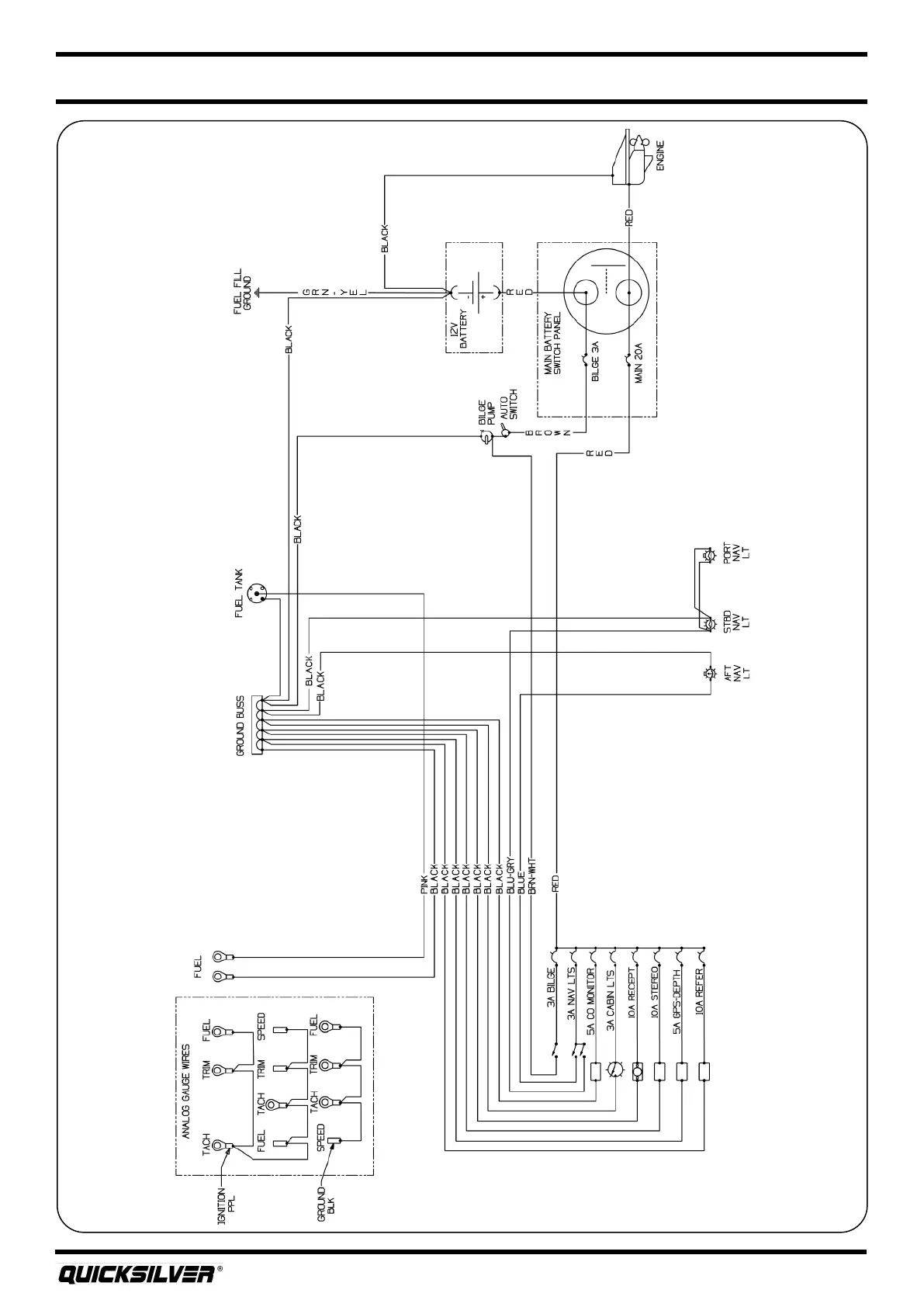
Quicksilver 555 Cabin - DC Helm Panel and Wiring Diagram

Quicksilver 555 Cabin
49 pages
Print Icon
To Next Page IconTo Next Page
To Next Page IconTo Next Page
To Previous Page IconTo Previous Page
To Previous Page IconTo Previous Page
Loading...
Quicksilver 555CAB — Electrical Systems
31
DC Wiring Schemac

Related product manuals