EasyManua.ls Logo

Quietside DPW-099 - Page 76

Quietside DPW-099
80 pages
Print Icon
To Next Page IconTo Next Page
To Next Page IconTo Next Page
To Previous Page IconTo Previous Page
To Previous Page IconTo Previous Page
Loading...
NOTES
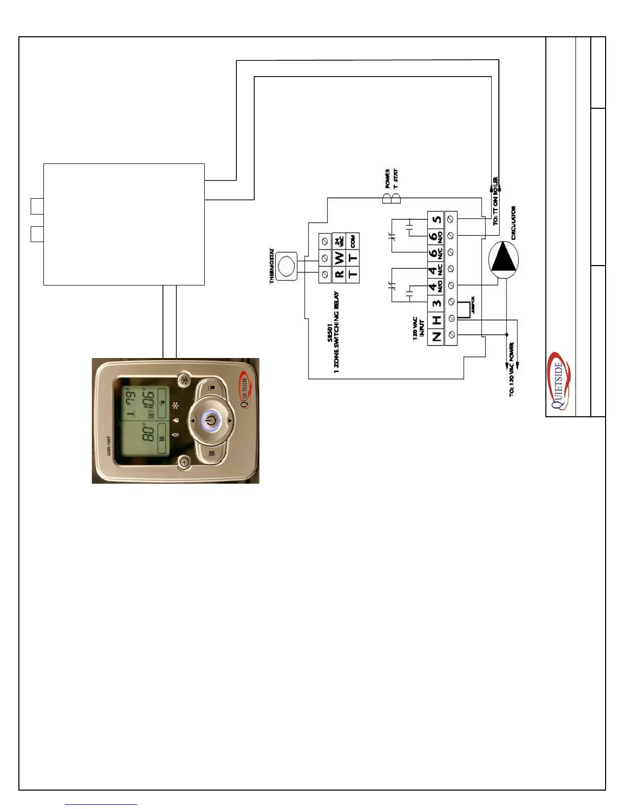
TO SET DSR-100F
DSR-100F
1 PRESS UNIT ON/OFF BUTTON
2 PRESS HEATING SET
TEMPERATURE BUTTON
YEL
3 USE UP AND DOWN ARROWS
TO SELECT DESIRED HEATING YEL
WATER TEMPERATURE
RANGE 122-176 DEGF
BRN BRN
4 PRESS DHW SET
TEMPERATURE BUTTON
5 USE UP AND DOWN ARROWS
TO SELECT DESIRED DHW
WATER TEMPERATURE
98-114 DEGF, 120, 130, 140 DEGF
WHEN X-X CONTACT IS CLOSED UNIT
WILL START AND PROVIDE CLOSED LOOP
HEATING WATER AT THE
TEMPERATURE SELECTED
DHW PRIORITY WILL BE MAINTAINED
WHEN THE ZONE(S) SATISFY THE UNIT
WILL SHUT DOWN, DSR WILL REMAIN LIT
AT ALL TIMES
THIS IS THE PREFERRED METHOD TO
CONTROL THE SECONDARY LOOP PUMP
REQUIRED IN ALL NON CLOSE COUPLED 8750 Pioneer Blvd, Santa Fe Springs CA 90670
AHU & HW COIL APPLICATIONS Tel : 562 699 6066, Fax : 562 699 4351, Web : www.Quietside.com
Title : DPW & TACO SR501 ZONE CONTROL PANEL WIRING
Drg # : QUI-ZCW-003 Drawn : JLM 9/24/2008 Rev : 001
DPW
DPWH
76

Table of Contents

Related product manuals