EasyManua.ls Logo

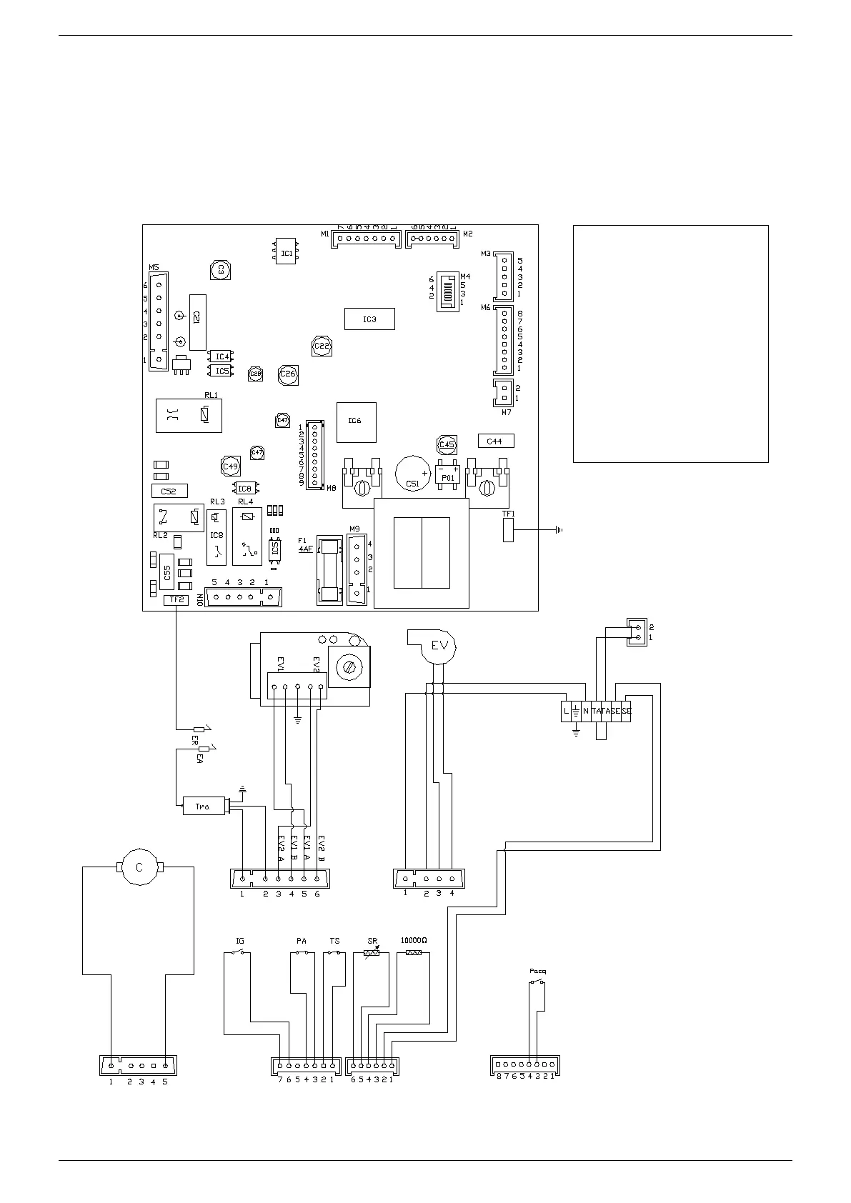
Radiant RS 30 E - 6.5 Wiring diagrams

Radiant RS 30 E
44 pages
Print Icon
To Next Page IconTo Next Page
To Next Page IconTo Next Page
To Previous Page IconTo Previous Page
To Previous Page IconTo Previous Page
Loading...
MAINTENANCE INSTRUCTIONS
33
M7
M5
M9
M2
black
black
orange
M1
M10
orange
brown
orange
orange
VG
brown
blue
brown
blue
red
blue
brown
brown
blue
blue
brown
white-black
black
brown
blue
orange
PRINTED CIRCUIT BOARD DIGITECH - SM20019
COD. 76677LA
blue
Key
IG: Main Switch
PA: Air Pressure switch
TS: Safety thermostat
SR: Heating sensor
EV: Fan
ER: Ionisation electrode
EA: Ignition electrode
TRA: Ignition transformer
C: Circulating pump
PACQ: Water pressure switch
VG: Gas valve
6.5 Wiring diagrams

Other manuals for Radiant RS 30 E

Related product manuals