EasyManua.ls Logo

Radiant RS 30 E - Page 39

Radiant RS 30 E
44 pages
Print Icon
To Next Page IconTo Next Page
To Next Page IconTo Next Page
To Previous Page IconTo Previous Page
To Previous Page IconTo Previous Page
Loading...
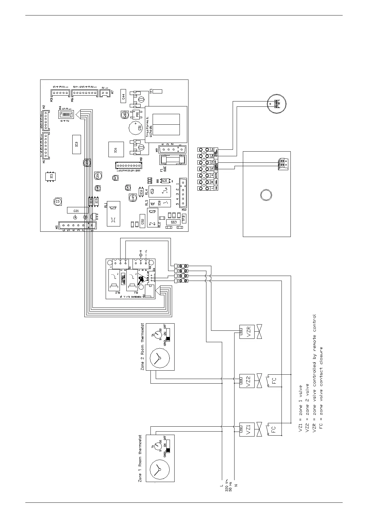
MAINTENANCE INSTRUCTIONS
36
Outside
temperature
sensor (option)
Terminal block
REMOTE "OPEN THERM"
cod. 40-00017
Zone valve management +
option remote controller board
cod. 65-00030
Option remote lock -
out indicator
Remote control and zone valves wiring
For the installation of a zone valve p.c.b., it is necessary to access the main p.c.b. for electrical connection (see
chapter 6.3 “Accessing the boiler” ) and to activate the parameter no. 15 (see chapter 5.1 “parameters table”).

Other manuals for Radiant RS 30 E

Related product manuals