Home
Radijator
Boiler
FK1
Page 13
Radijator FK1 - Page 13
58 pages
Manual
Go to English
Save Page as PDF
To Next Page
To Next Page
To Previous Page
To Previous Page
Loading...
R
a
d
i
ja
t
o
r
I
n
ž
e
n
j
e
r
i
n
g
d
.
o
.
o
,
3
6
0
0
0
K
r
a
l
j
e
v
o
,
Ž
i
v
o
jin
a
L
a
z
ić
a
-
So
lu
n
c
a
b
r
.
6
,
Sr
b
i
j
a
te
l.
+
3
8
1
3
6
3
9
9
1
4
0
,
f
a
x
.
+
3
8
1
3
6
3
9
9
1
5
0
,
h
tt
p
://
w
w
w
.
r
a
d
i
j
a
t
o
r
.
r
s
e
-
m
a
il:
r
a
d
i
ja
t
o
r
@
r
a
d
i
ja
t
o
r
.
r
s
13
5.
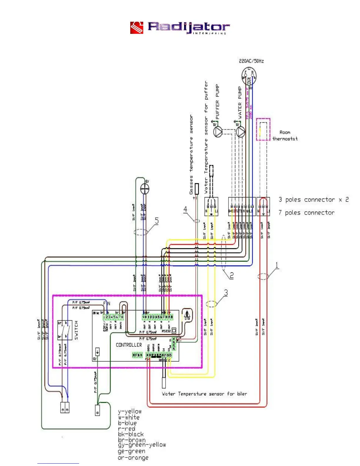
Elektri
čna š
ema sp
oljnih pri
ključenja
12
14
Table of Contents
Main Page
Default Chapter
29
Table of Contents
29
1 Important Warning;
31
2 Description of the Boiler
31
3 Assembly
32
Measures and Safety Devices for Boilers
32
Boiler Room
36
Connection to the Chimney
37
4 Cross-Section of FK Boiler with a Description of the Boiler Elements
40
5 Schematic Connection of Automation
41
6 Table of Technical Data
44
7 Hydraulic Scheme
45
8 Boiler Operation and Maintenance
47
Operation Start of the Solid Fuel Boiler
47
Adding Fuel During Operation of Solid Fuel Boiler
48
Maintenance of Boiler
50
9 Short Instruction for Users of Automation
52
10 Warranty
56
Related product manuals
Radijator BIO Lux UNI 20
57 pages
Radijator BIOlux UNI 20
57 pages