EasyManua.ls Logo

Radijator FK1 - Page 17

Radijator FK1
Print Icon
To Next Page IconTo Next Page
To Next Page IconTo Next Page
To Previous Page IconTo Previous Page
To Previous Page IconTo Previous Page
Loading...
Radijator Inženjering d.o.o, 36000 Kraljevo, Živojina Lazića - Solunca br.6, Srbija
tel. +381 36 399 140, fax. +381 36 399 150, http://www.radijator.rs
e-mail: radijator@radijator.rs
17
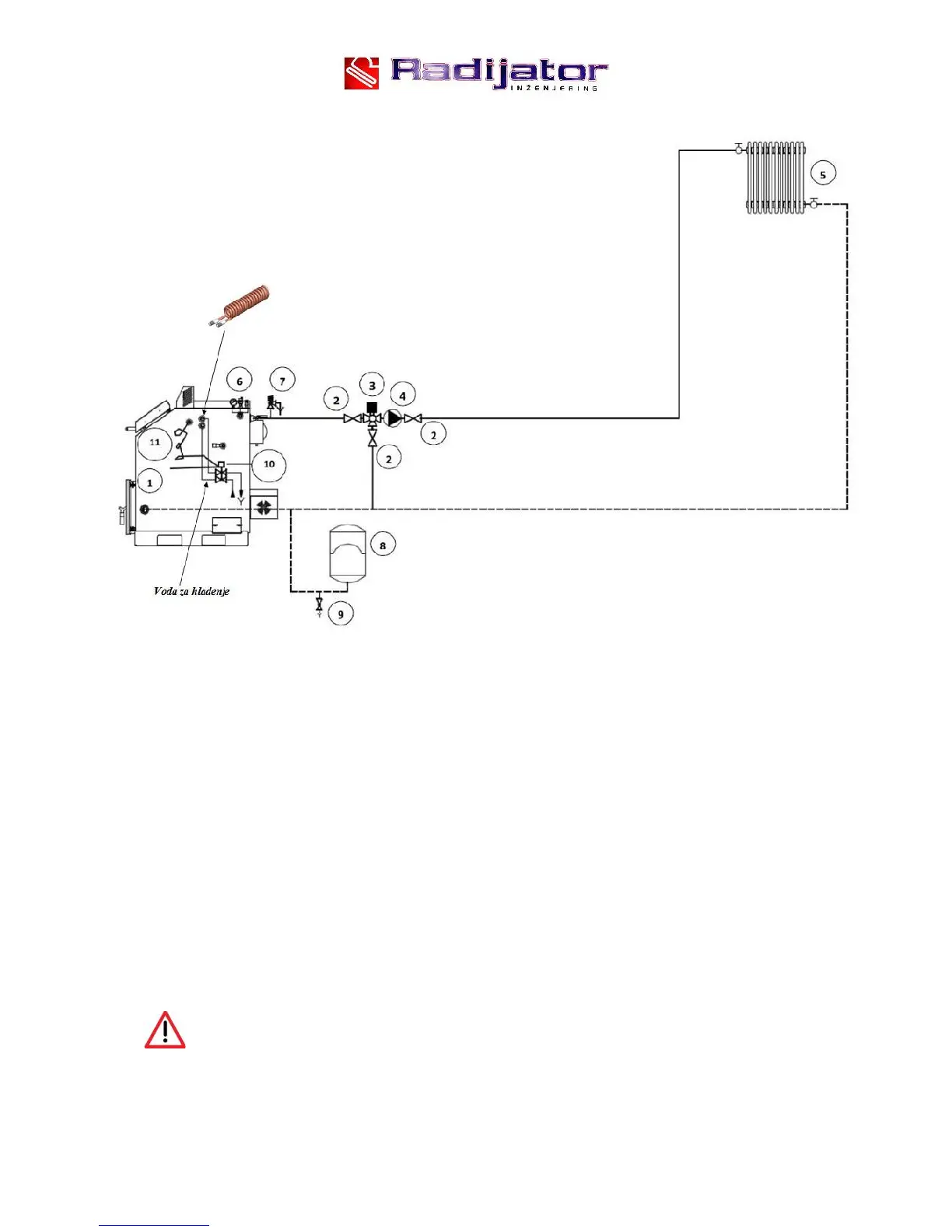
7. Hidraulička šema povezivanja FK kotla
Hidraulička šema
Opis:
1. Kotao FK
2. Ventil
3. Mešni ventil
4. Pumpa
5. Izmenjivač (radijator)
6. Sigurnosna grupa
7. Sigurnosni ventil
8. Ekspanziona posuda
9. Slavina
10. Ventil termičkog osiguranja
11.Sonda ventila termičkog osiguranja
Prilikom montaže na hidrauličku instalaciju kotao mora biti obezbeđen
na propisan način od prekoračenja maksimalne radne temperature i pritiska.