EasyManua.ls Logo

Radijator FK1 - Page 18

Radijator FK1
Print Icon
To Next Page IconTo Next Page
To Next Page IconTo Next Page
To Previous Page IconTo Previous Page
To Previous Page IconTo Previous Page
Loading...
Radijator Inženjering d.o.o, 36000 Kraljevo, Živojina Lazića - Solunca br.6, Srbija
tel. +381 36 399 140, fax. +381 36 399 150, http://www.radijator.rs
e-mail: radijator@radijator.rs
18
Za propisnu montažu odgovoran je instalater centralnog grejanja koji
priključuje kotao na hidraulički sistem.
Radijator inženjering ,kao proizvođač kotla, ne preuzima nikakvu
odgovornost za štete prouzrokovane lošim instaliranjem kotla.
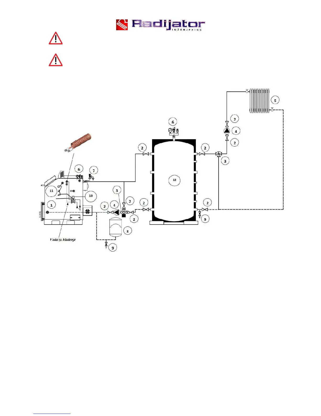
Hidraulička šema sa akumulatorom
1. Kotao FK
2. Ventil
3. Mešni ventil
4. Pumpa
5. Izmenjivač (radijator)
6. Sigurnosna grupa
7. Sigurnosni ventil
8. Ekspanziona posuda
9. Slavina
10. Ventil termičkog osiguranja
11. Sonda ventila termičkog osiguranja
12. Akumulator