EasyManua.ls Logo

Rainbow iPaul 2.400 - Page 43

Rainbow iPaul 2.400
Print Icon
To Next Page IconTo Next Page
To Next Page IconTo Next Page
To Previous Page IconTo Previous Page
To Previous Page IconTo Previous Page
Loading...
21
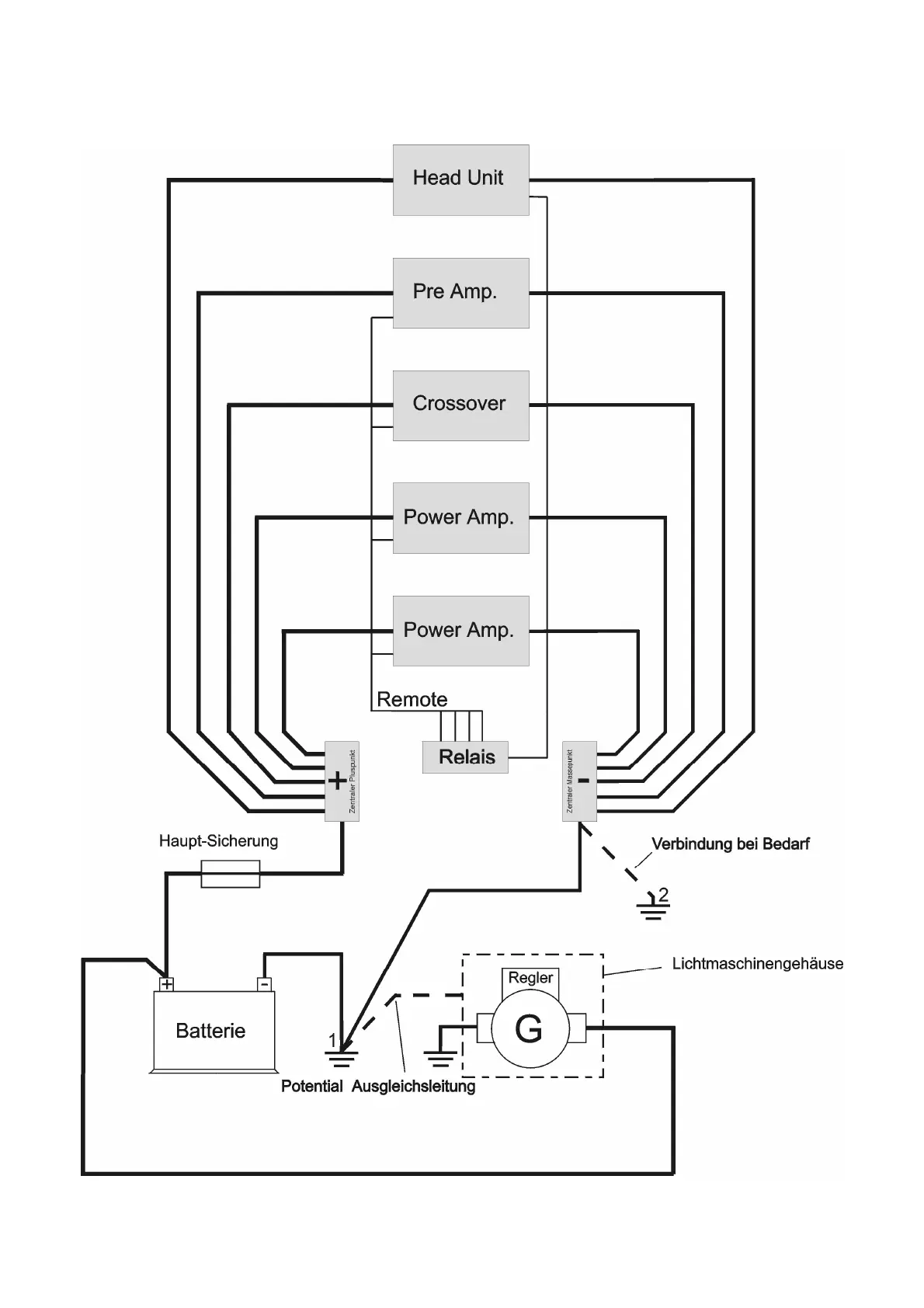
Figure 6: Principal Central Ground Diagram

Related product manuals