EasyManua.ls Logo

Rangemaster Elise 110 Induction - Page 38

Rangemaster Elise 110 Induction
44 pages
Print Icon
To Next Page IconTo Next Page
To Next Page IconTo Next Page
To Previous Page IconTo Previous Page
To Previous Page IconTo Previous Page
Loading...
34
6
P6
5P5
4
P4
7 P7
8P8
2
P2
1P1
3P3
P038434
E
LN
P095199
1
2
P2
P1
P095199
1
2
P2
P1
br
bk
b
y
or
bk
b
br
bk
bb
bk
b
br
br
br
b
b
bk
b
bbb
bk
r
y
b
y
or
y
br
v
v
r
r
br
b
r
r
b
bk
w
r
v
r
w
r
w
bk
or
y
b
b
b
br
or
w
b
b
b
r
o
b
b
b
y
b
bk
gr
w
y
b
b
br
br
v
v
r
r
v
br
v
X02
X01
X05
X03
X10
X06
X11
X09
X16
X12
X31
X15
X16
X26
X27
X31
X32
X14
X26
X08
X27
X26
X24
X27
X04
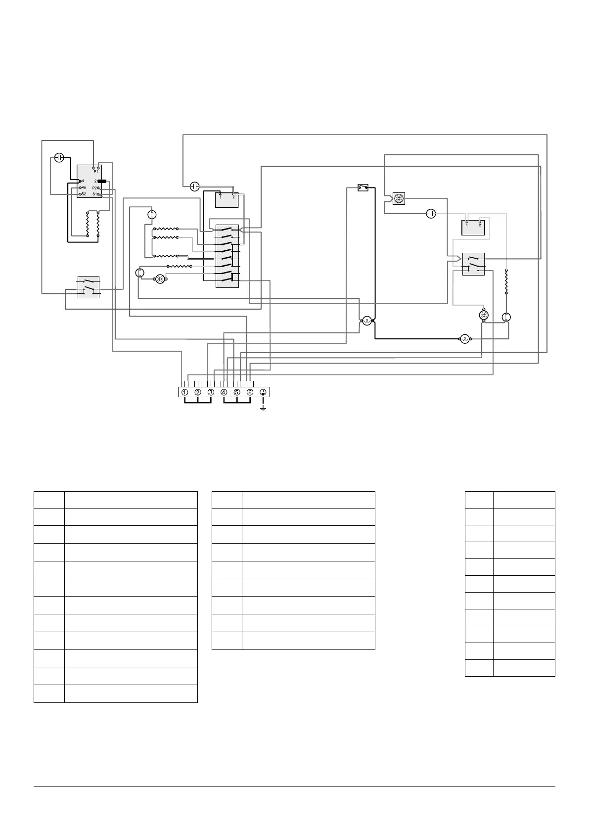
Oven
Key
The connections shown in the circuit diagram are for single-phase. The ratings are for 230 V 50 Hz.
Component positions viewed from the front of the cooker.
Code Description
X01
Grill Front Switch
X02
Grill Energy Regulator
X03
Left Hand Grill Element
X04
Right Hand Grill Element
X05
Left Hand Oven Thermostat
X06
Left Hand Oven Multifunction Switch
X08
Left Hand Oven Base Element
X09
Left Hand Oven Fan Element
X10
Left Hand Oven Top Outer Element
X11
Left Hand Oven Top Inner Element
X12
Right Hand Oven Thermostat
Code Description
X14
Right Hand Oven Front Switch
X15
Right Hand Oven Fan Element
X16
Oven Fan
X24
Cooling Fan
X26
Neon
X27
Thermal Cut-Out
X31
Oven Light
X32
Oven Light Switch
Code Colour
b
Blue
br
Brown
bk
Black
or
Orange
r
Red
v
Violet
w
White
y
Yellow
g/y
Green / Yellow
gr
Grey

Related product manuals