EasyManua.ls Logo

Ransburg Pulsetrack 2 - Page 23

Ransburg Pulsetrack 2
58 pages
Print Icon
To Next Page IconTo Next Page
To Next Page IconTo Next Page
To Previous Page IconTo Previous Page
To Previous Page IconTo Previous Page
Loading...
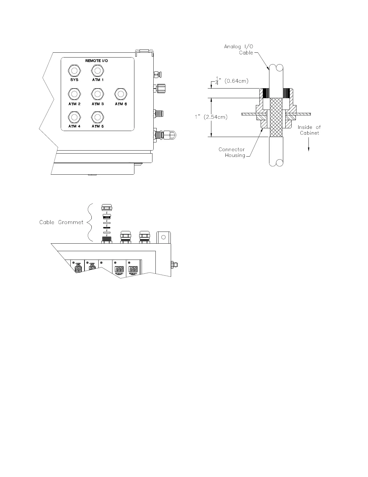
Figure 8: Electrical I/O Connectors
Figure 9A: Cable Grommet Hardware
Figure 9B: Stripping Of I/O Cable