EasyManua.ls Logo

Ransomes CT325 - Lubrication and Maintenance; Lubrication and Maintenance Chart

Ransomes CT325
72 pages
Print Icon
To Next Page IconTo Next Page
To Next Page IconTo Next Page
To Previous Page IconTo Previous Page
To Previous Page IconTo Previous Page
Loading...
29
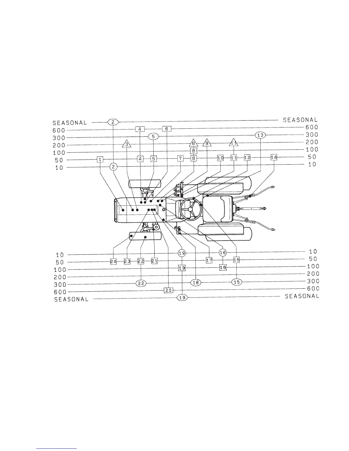
LUBRICATION AND MAINTENANCE
LUBRICATION AND MAINTENANCE CHART-RANSOMES CT325 / CT333
TWO-WHEEL DRIVE

Related product manuals