EasyManua.ls Logo

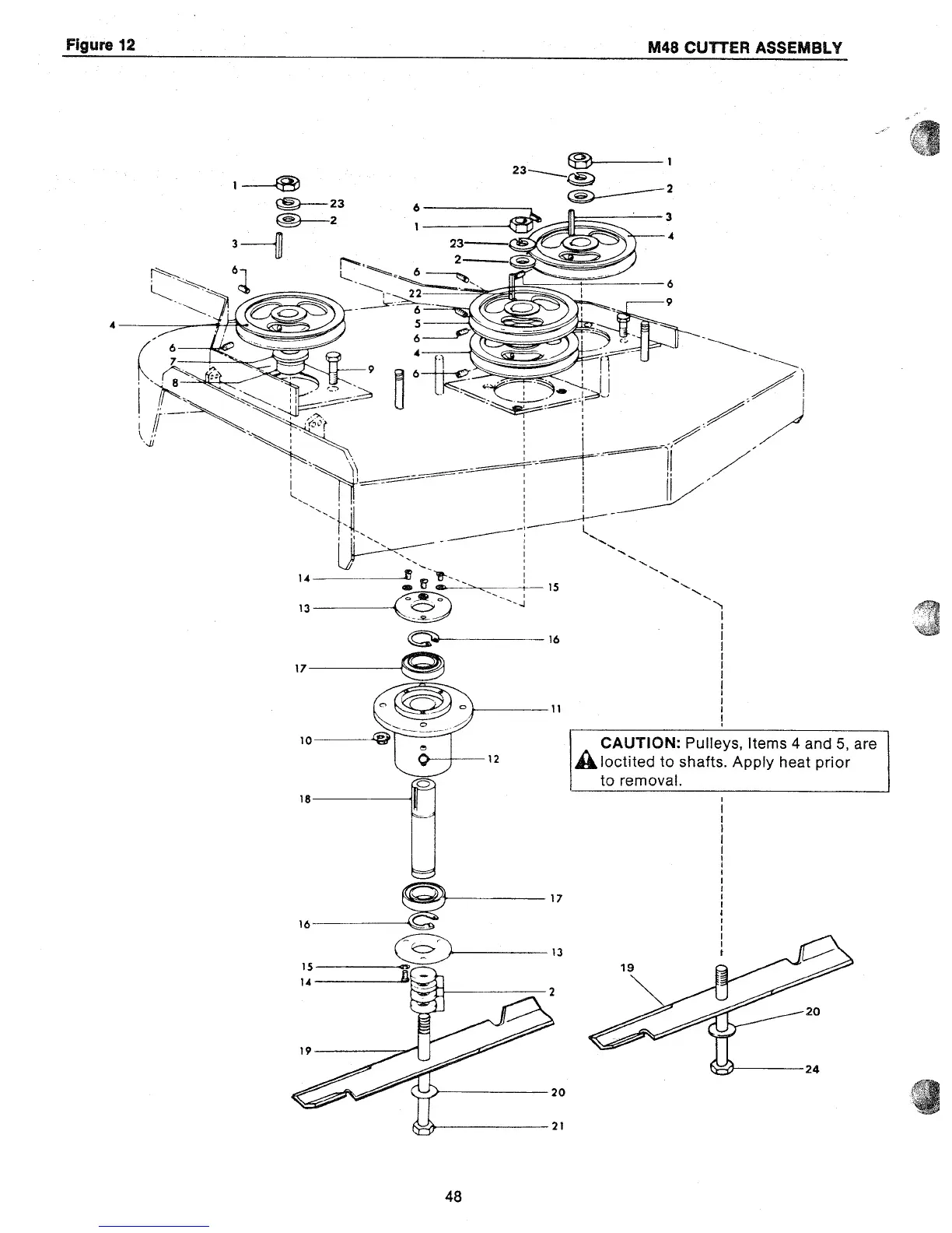
Ransomes M36 - M48 CUTTER ASSEMBLY

Ransomes M36
54 pages
Print Icon
To Next Page IconTo Next Page
To Next Page IconTo Next Page
To Previous Page IconTo Previous Page
To Previous Page IconTo Previous Page
Loading...

Related product manuals