EasyManua.ls Logo

rav G2.124R - Connection Diagram

Default Icon
86 pages
Print Icon
To Next Page IconTo Next Page
To Next Page IconTo Next Page
To Previous Page IconTo Previous Page
To Previous Page IconTo Previous Page
Loading...
GB
Page 64 of 64
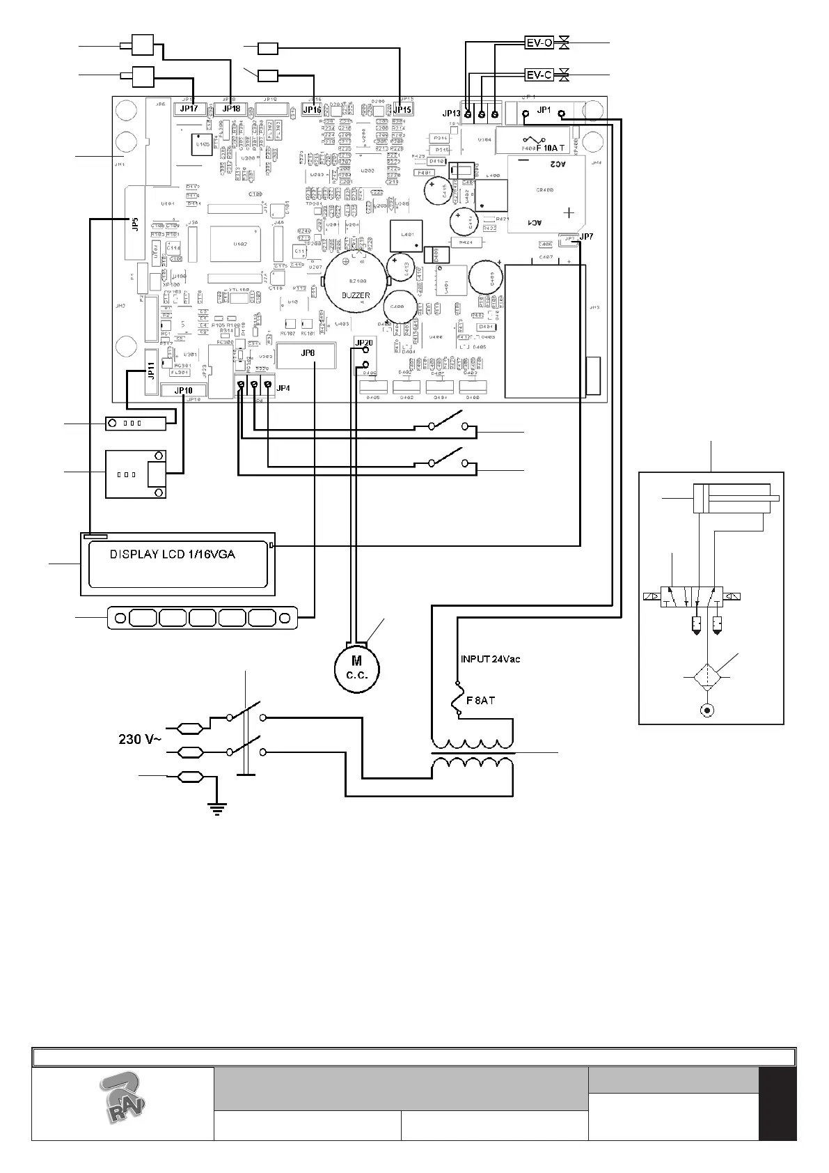
ELECTRICAL AND PNEUMATIC
CONNECTION DIAGRAM
Table N°A - Rev. 0
KEY
1 CPU Card
2 Diameter Measurement Potentiometer
3 Front piezo
4 Rear piezo
5 Opening solenoid valve (O)
6 Closing solenoid valve (C) (only for GP2.124HD)
7 Distance optical sensor (optional)
8 Wheel position optical sensor (optional)
9 Protection guard microswitch
10 Pneumatic mandrel control pedal microswitch (only
for GP2.124R)
11 Motor in d.c.
12 Pneumatic tightening diagram (only for
GP2.124R)
13 Tightening drive cylinder
14 5/2 NC solenoid valves
15 Separating filter
16 Display
17 General disconnecting switch
18 Supply inlet
19 230/24 Vac Transformer
20 Width Measurement Potentiometer
21 Functional keyboard
2
1
4
3
5
6
7
8
9
10
11
12
13
14
15
16
17
18
19
20
21
RAVAGLIOLI S.p.A.
1297-M010-0_R
G2.124R - GP2.124R

Table of Contents

Related product manuals