EasyManua.ls Logo

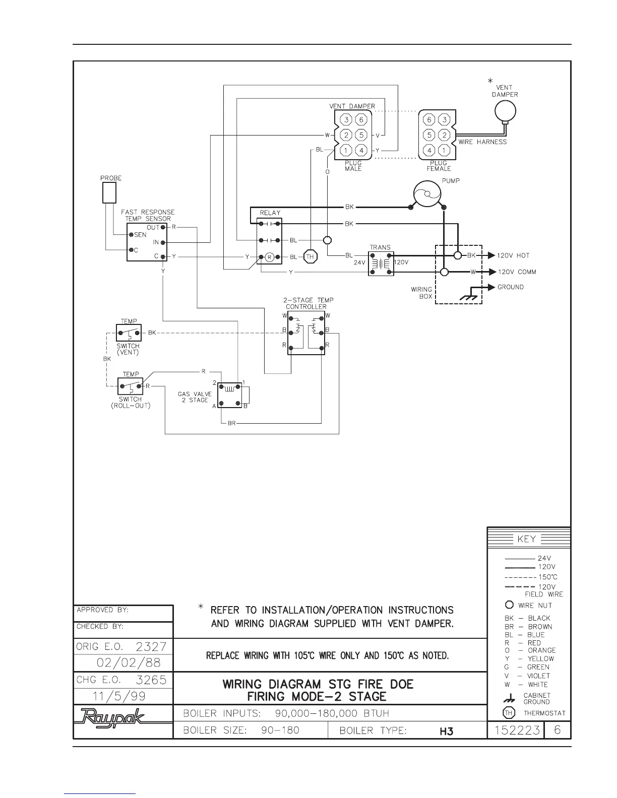
Raypak 0180B Type H - Wiring Diagrams

Raypak 0180B  Type H
40 pages
Print Icon
To Next Page IconTo Next Page
To Next Page IconTo Next Page
To Previous Page IconTo Previous Page
To Previous Page IconTo Previous Page
Loading...
19
Wiring Diagrams

Related product manuals