EasyManua.ls Logo

Raypak 0180B Type H - Page 22

Raypak 0180B  Type H
40 pages
Print Icon
To Next Page IconTo Next Page
To Next Page IconTo Next Page
To Previous Page IconTo Previous Page
To Previous Page IconTo Previous Page
Loading...
22
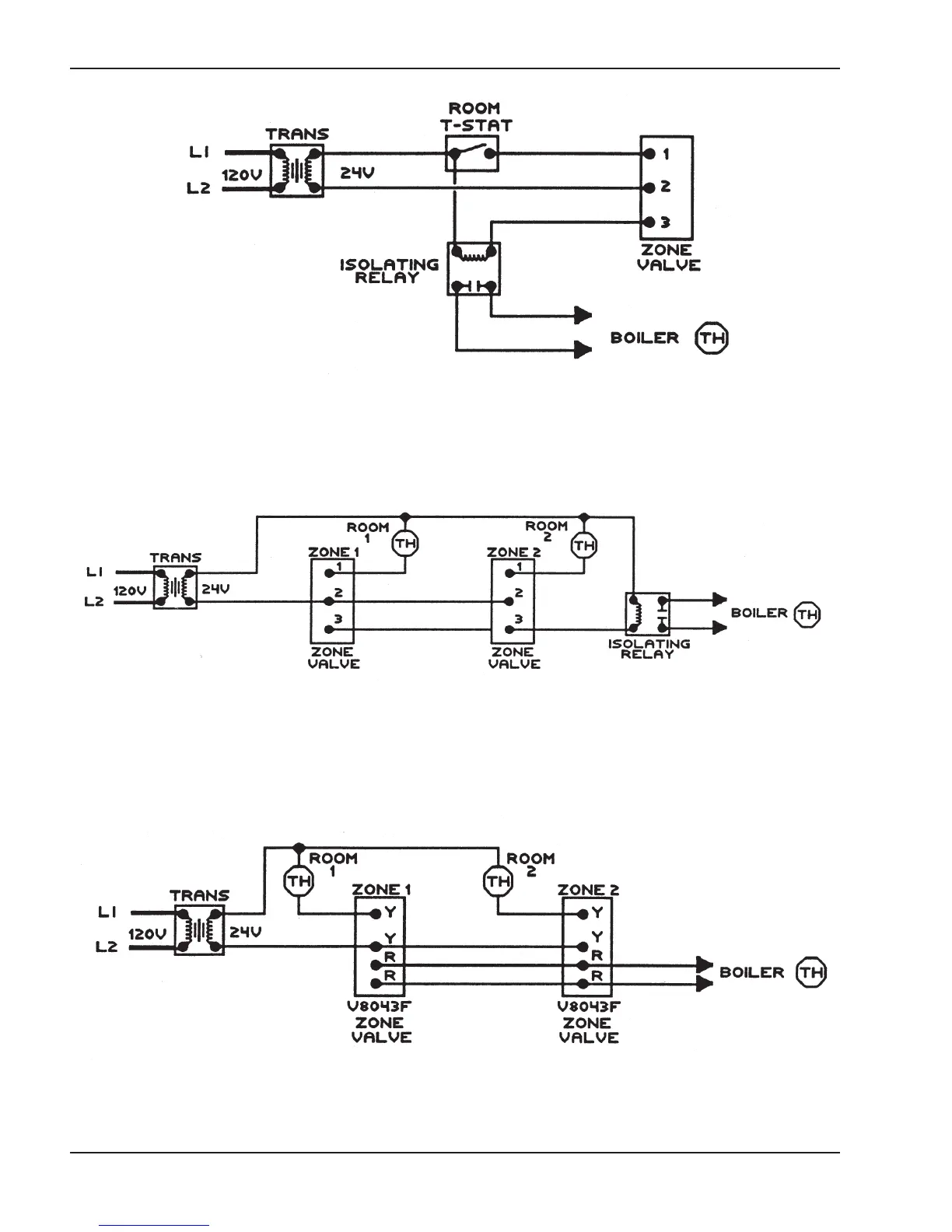
Fig. 17: Single-Zone Taco Valve
Fig. 18: Dual-Zone Taco Valve
Fig. 19: Dual-Zone Honeywell Valve
NOTE: Maximum three (3) zone valves per one (1) 40 VA transformer.
NOTE: Maximum five (5) zone valves per one (1) 40 VA Transformer.

Related product manuals