EasyManua.ls Logo

Raypak 0180B Type H - Page 25

Raypak 0180B  Type H
40 pages
Print Icon
To Next Page IconTo Next Page
To Next Page IconTo Next Page
To Previous Page IconTo Previous Page
To Previous Page IconTo Previous Page
Loading...
25
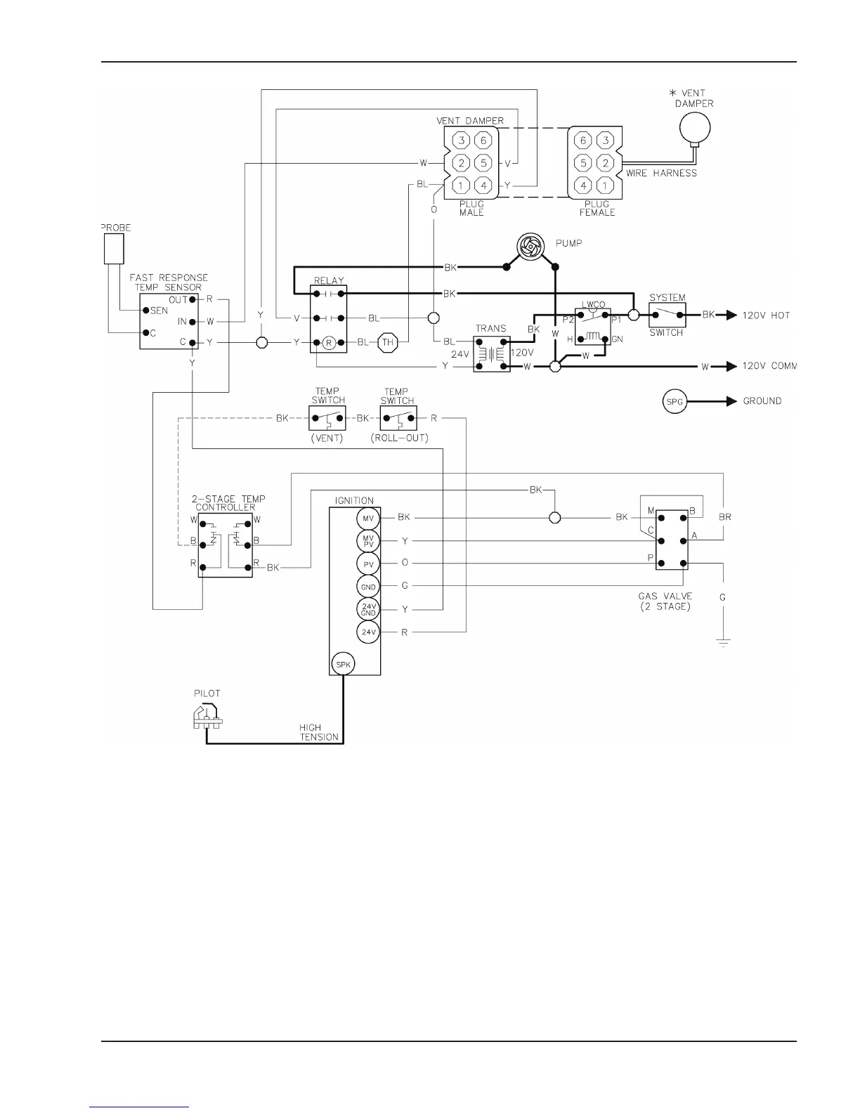
Fig. 24: IID Units with Low Water Cut-off Device
Note: Low water cut-off (LWCO) and system switch supplied by others.

Related product manuals