EasyManua.ls Logo

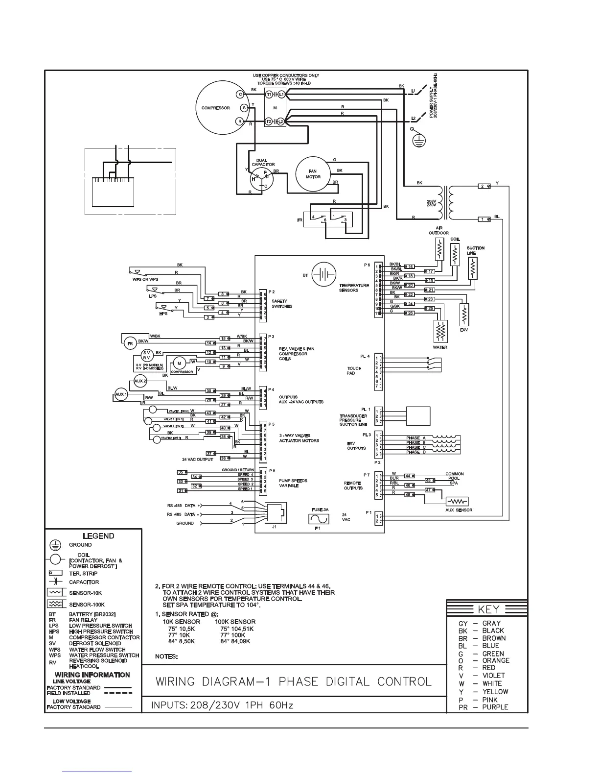
Raypak 3450 - Wiring Diagrams; 208 V;230 V Single-Phase Digital Model Wiring

Raypak 3450
52 pages
Print Icon
To Next Page IconTo Next Page
To Next Page IconTo Next Page
To Previous Page IconTo Previous Page
To Previous Page IconTo Previous Page
Loading...
46
Wiring Diagram — 208V/230V Single-Phase — Digital Models
NC NO COML1L2L2
BK (TO TRANSFORMER)
R
BK
L2
L1
INSERT A
VOLTAGE
MONITOR
W
BL
BK
O
R

Related product manuals