EasyManua.ls Logo

Raypak HIDELTA 992B - Page 46

Raypak HIDELTA 992B
68 pages
Print Icon
To Next Page IconTo Next Page
To Next Page IconTo Next Page
To Previous Page IconTo Previous Page
To Previous Page IconTo Previous Page
Loading...
46
WARNING: Contact the vent material manufacturer
if there are any questions about the appliance
category or suitability of a vent material for Category
II, III or IV applications. Using improper venting
materials can result in personal injury, death or
property damage.
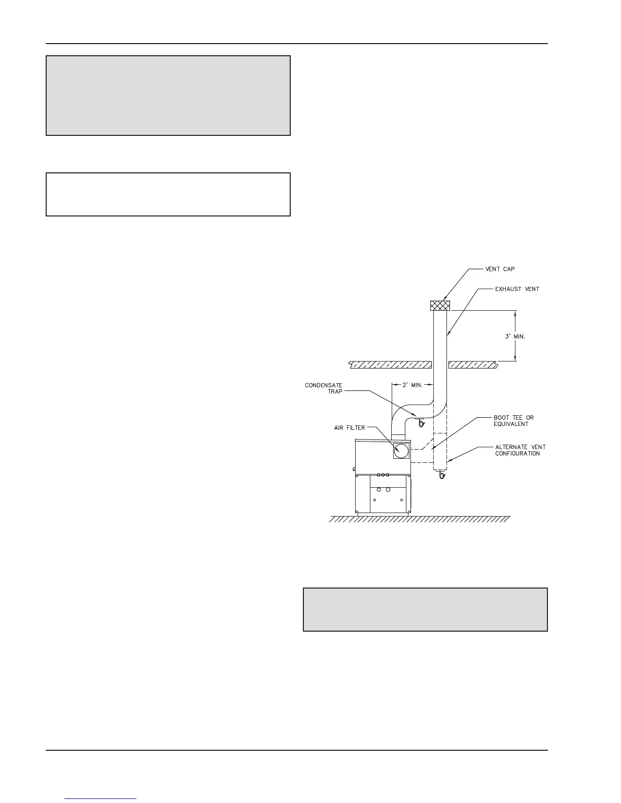
Vent Terminal Location
1. Condensate can freeze on the vent cap. Frozen
condensate on the vent cap can result in a blocked
flue condition.
2. Give special attention to the location of the vent
termination to avoid possibility of property dam-
age or personal injury.
3. Gases may form a white vapor plume in winter.
The plume could obstruct a window view if the ter-
mination is installed near windows.
4. Prevailing winds, in combination with below-freez-
ing temperatures, can cause freezing of
condensate and water/ice build-up on building,
plants or roof.
5. The bottom of the vent terminal and the air intake
shall be located at least 12 in. above grade, includ-
ing normal snow line.
6. Un-insulated single-wall metal vent pipe shall NOT
be used outdoors in cold climates for venting gas
utilization equipment.
7. Through-the-wall vents for Category II and IV
appliances shall not terminate over public walk-
ways or areas where condensate or vapor could
create a nuisance or hazard, or be detrimental to
the operation of regulators, relief valves or other
equipment.
8. Locate and guard vent termination to prevent acci-
dental contact by people or pets.
9. DO NOT terminate vent in window well, stairwell,
alcove, courtyard or other recessed area, unless
previously approved by local authority.
10. DO NOT terminate above any door, window, or
gravity air intake. Condensate can freeze, causing
ice formations.
11. Locate or guard vent to prevent condensate from
damaging exterior finishes. Install a rust-resistant
sheet metal backing plate against brick or mason-
ry surfaces.
12. DO NOT extend exposed vent pipe outside of
building. Condensate could freeze and block vent
pipe.
Condensate Management
Condensate must be routed from the condensate trap
to an appropriate container for neutralization before
disposal, as required by local codes.
Vertical Venting (Category II)
Common Venting System
Manifolds that connect more than one boiler to a com-
mon chimney must be engineered to handle the
combined load. Consult available guides for proper
sizing of the manifold and the chimney. At no time
should the area of the vent be less than the area of the
largest boiler exhaust outlet.
NOTE: During winter months check the vent cap
and make sure no blockage occurs from build-up of
snow or ice.
Note: When vertical height exceeds 25 ft,
consult factory prior to installation.
CAUTION: A properly sized listed vent cap
terminal must be used to evacuate the flue products
from the boilers.
Fig. 42: Vertical Venting (Category II)
*Requires optional vent tee.

Table of Contents

Related product manuals