EasyManua.ls Logo

Raypak MVB 5042004 - Page 40

Raypak MVB 5042004
56 pages
Print Icon
To Next Page IconTo Next Page
To Next Page IconTo Next Page
To Previous Page IconTo Previous Page
To Previous Page IconTo Previous Page
Loading...
40
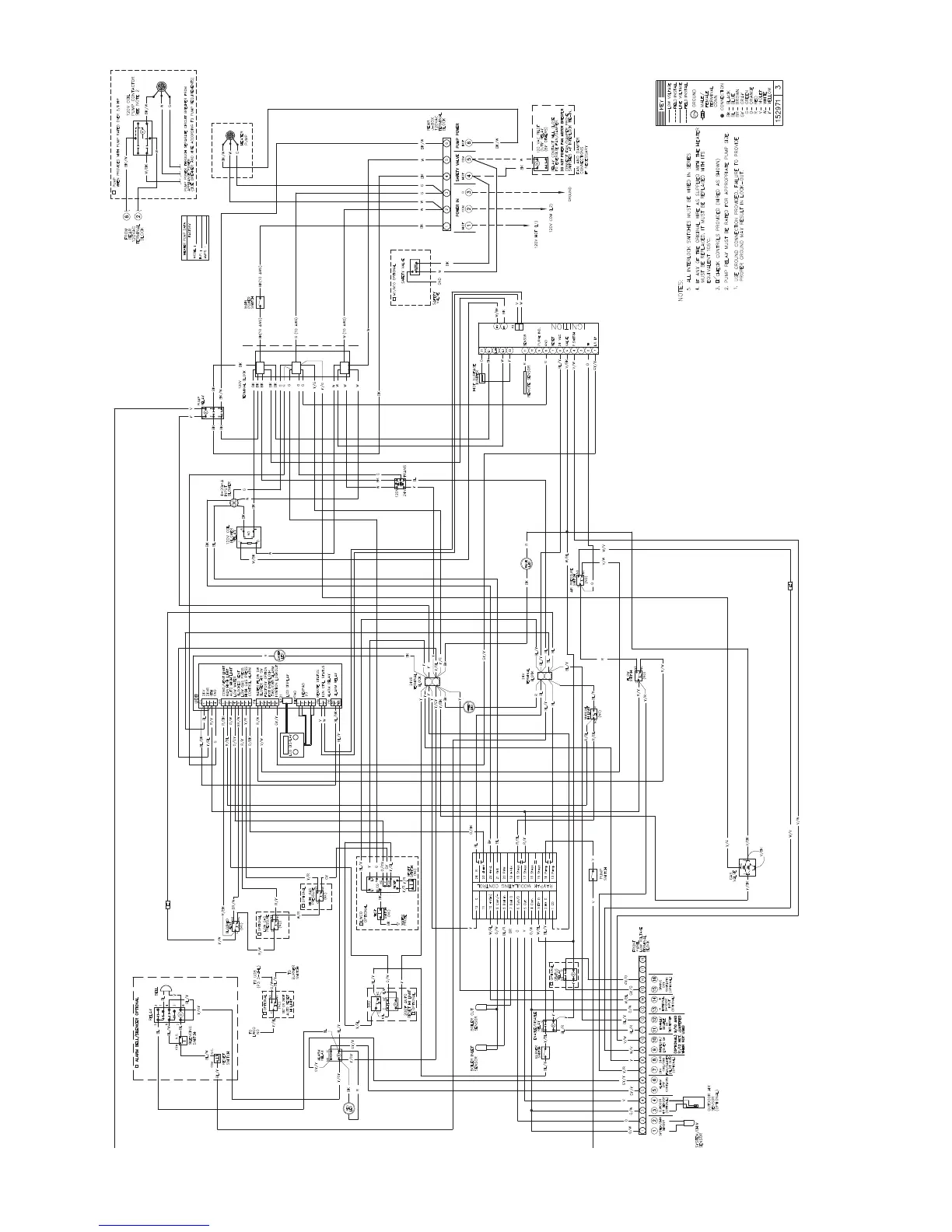
WIRING DIAGRAM - Models H & WH

Related product manuals