EasyManua.ls Logo

Raypak VERSA 155C - Electronic Ignition Wiring Diagram

Raypak VERSA 155C
35 pages
Print Icon
To Next Page IconTo Next Page
To Next Page IconTo Next Page
To Previous Page IconTo Previous Page
To Previous Page IconTo Previous Page
Loading...
20
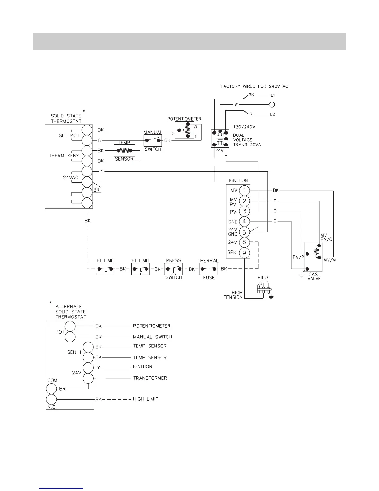
WIRING DIAGRAM 152148 Model 155 IID
BL
BL
BL

Related product manuals