EasyManua.ls Logo

RCS Technology TZ45A - Standard Gas;Electric System Guide; System Wiring Diagram; System Setup Configuration

RCS Technology TZ45A
16 pages
Print Icon
To Next Page IconTo Next Page
To Next Page IconTo Next Page
To Previous Page IconTo Previous Page
To Previous Page IconTo Previous Page
Loading...
DCN: 140-02034-03 Page 6
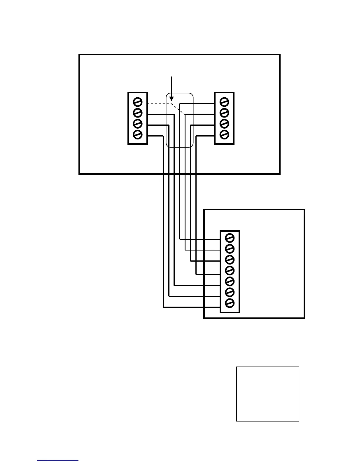
Standard Gas/Electric HVAC System Wiring
Thermostat Setup: Standard Gas/Electric HVAC Systems
To set the HVAC system type, go to the Thermostat Info screen Setup or the Installer Settings menu
(a hidden screen go to the main menu screen and press and hold the center two buttons for 5 seconds)
In the Installer Settings Menu, Select System Settings then select Mechanical Settings and set the following:
1. Type. Set the HVAC System Type: set to Gas/Elec
2. Fan Type. Set the HVAC Fan Type:
Set to Gas for typical gas furnace (fan is controlled by the furnace)
Set to Elec for electric heat (fan call with heat call)
3. C/O type. Not used for standard systems. Ignore this setting.
4. 2nd Stage Heat. Enable second stage heating outputs
If you have a single stage heating system, leave this set to N
If you have a 2 stage heating system, set to Y to enable.
5. Aux Heat (HP). Not used for standard systems. Ignore this setting
6. 2nd Stage Cool. Enable second stage cooling outputs
If you have a single stage cooling system, leave this set to N.
If you have a two stage cooling system , set to Y to enable.
Default Setup:
Standard System
Gas Heat
1 Stage heating
1 Stage cooling
No setup required for
this configuration
Standard HVAC System
W1
G
W2/O
Y1
24C
24RH
24RC
Y2
24V R Cooling
Fan
Cooling stage 1
Cooling stage 2
24V Com
24V R Heating
Heating stage 1
Heating stage 2
Optional 24R Connection for single transformer HVAC Systems
RC and RH are jumpered together on thermostat board.
Cut RC/RH jumper JP1 for separate heating and cooling transformers
Fan
Heating Stage 1
Cooling Stage 1
24VAC Return
24VAC Common
Thermostat Connection Terminals
Cooling Stage 2
Heating Stage 2
C
R
G
W1
Y1
W2
Y2

Related product manuals