EasyManua.ls Logo

RCS Technology TZ45A - Heat Pump System Guide; Heat Pump Wiring Diagram; Heat Pump Setup Configuration

RCS Technology TZ45A
16 pages
Print Icon
To Next Page IconTo Next Page
To Next Page IconTo Next Page
To Previous Page IconTo Previous Page
To Previous Page IconTo Previous Page
Loading...
DCN: 140-02034-03 Page 7
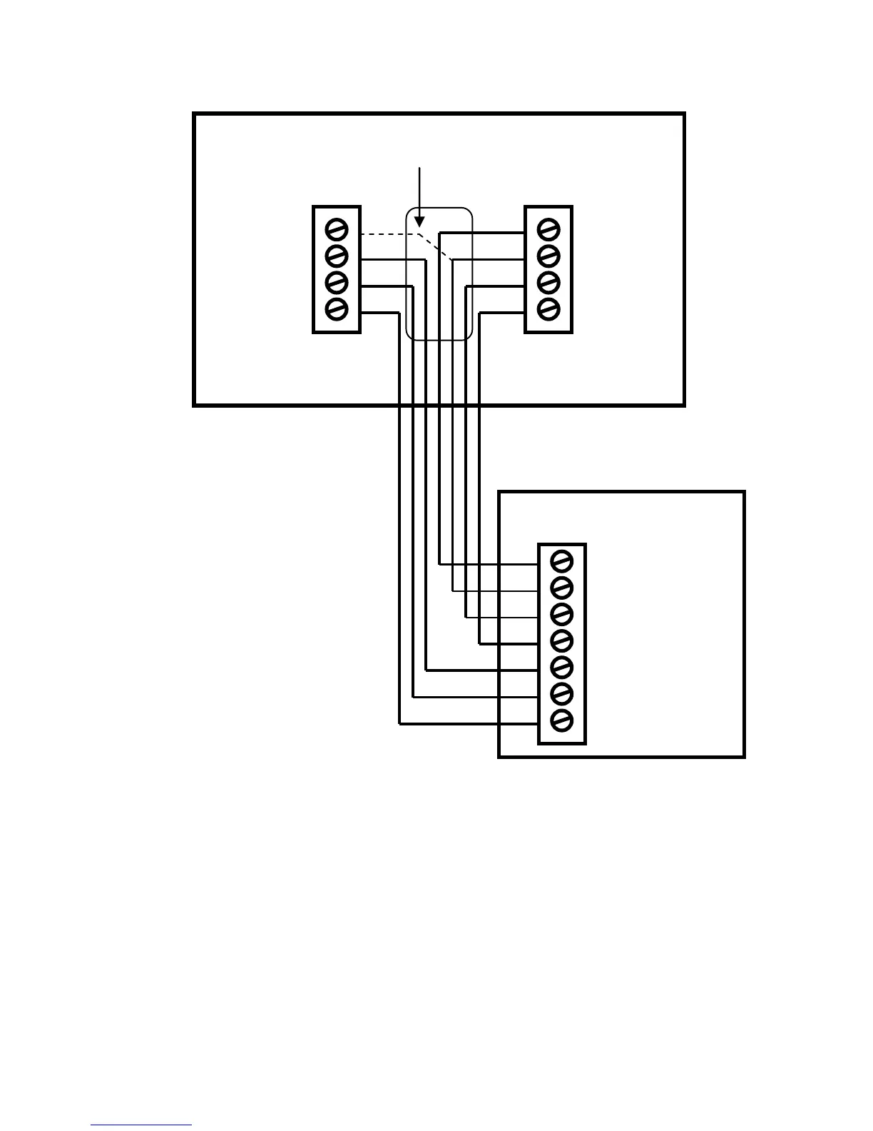
Heat Pump HVAC System Wiring
Thermostat Setup: Heat Pump HVAC Systems
To set the HVAC system type, go to the Thermostat Info screen Setup or the Installer Settings menu
(a hidden screen go to the main menu screen and press and hold the center two buttons for 5 seconds)
In the Installer Settings Menu, Select System Settings then select Mechanical Settings and set the following:
1. Type. Set the HVAC System Type: set to Heat pump
2. Fan Type. Automatically set for Heat Pump systems. Ignore this setting
3. C/O type. Change Over valve energizes either with cool calls or with heat calls. You must configure the
thermostat’s changeover valve setting to work correctly with your HVAC system. Check your system information to
be sure. Note the color of the wire (Orange or Brown) and to which terminal (O or B) on the old thermostat the
wire was connected to. No matter what the old stat connection was, connect the wire to the W2/O terminal on the
TZ45. The setting for C/O type will set the correct system operation.
For change over with cool systems (old stat O terminal/orange wire) = set to w/cool (most common
type and default setting)
For change over with heat systems (old stat B terminal/brown wire) = set to w/heat
Note: If you get cooling when you expect heating, change the C/O type to the opposite setting
4. 2nd Stage Heat. Enable second stage heating outputs
If you have a single stage heating system, leave this set to N
If you have a 2 stage heating system, set to Y to enable.
5. Aux Heat (HP). If you have auxiliary heat strips, set this to Y (default setting), if not, set to N
6. 2nd Stage Cool. Enable second stage cooling outputs
If you have a single stage cooling system, leave this set to N.
If you have a two stage cooling system, set to Y to enable.
Heat Pump HVAC System
W1
G
W2/O
Y1
24C
24RH
24RC
Y2
24V R Cooling
Fan
Compressor stage 1
Compressor stage 2
24V Com
24V R Heating
Aux Heating
Changover Valve
(reversing Valve)
Optional 24R Connection for single transformer HVAC Systems
RC and RH are jumpered together on thermostat board.
Cut RC/RH jumper JP1 for separate heating and cooling transformers
Fan
Aux heating
Compressor Stage 1
24VAC Return
24VAC Common
Thermostat Connection Terminals
Compressor Stage 2
Changeover Valve
C
R
G
W1
Y1
O/B
Y2

Related product manuals