EasyManua.ls Logo

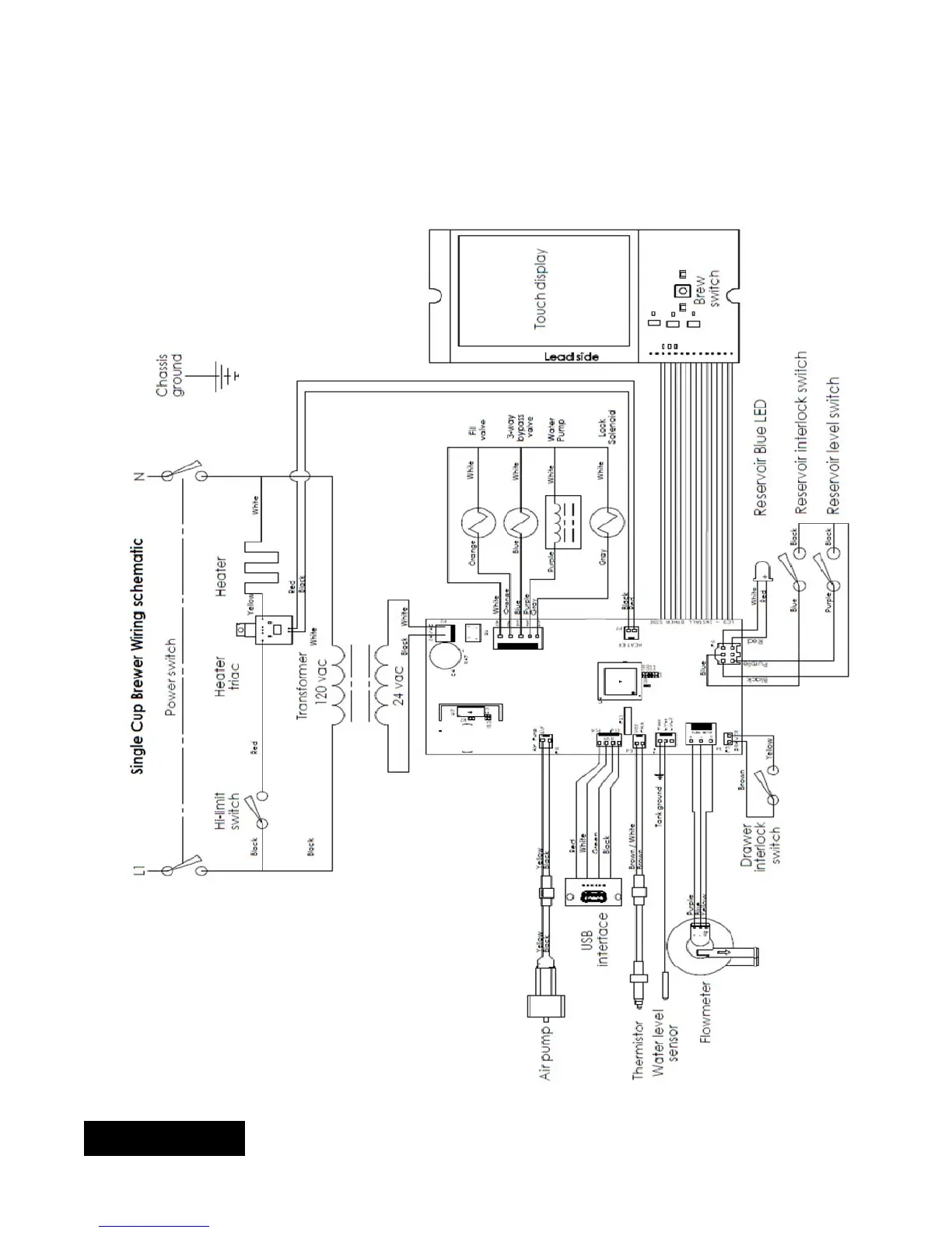
RealCup RC400 - Single Cup Brewer Wiring Diagram

RealCup RC400
28 pages
Print Icon
To Previous Page IconTo Previous Page
To Previous Page IconTo Previous Page
Loading...
28
28
Single Cup Brewer Wiring Diagram
ENGLISH