EasyManua.ls Logo

Realistic STA-21 - IC Internal Diagram

Realistic STA-21
36 pages
Print Icon
To Next Page IconTo Next Page
To Next Page IconTo Next Page
To Previous Page IconTo Previous Page
To Previous Page IconTo Previous Page
Loading...
l
I
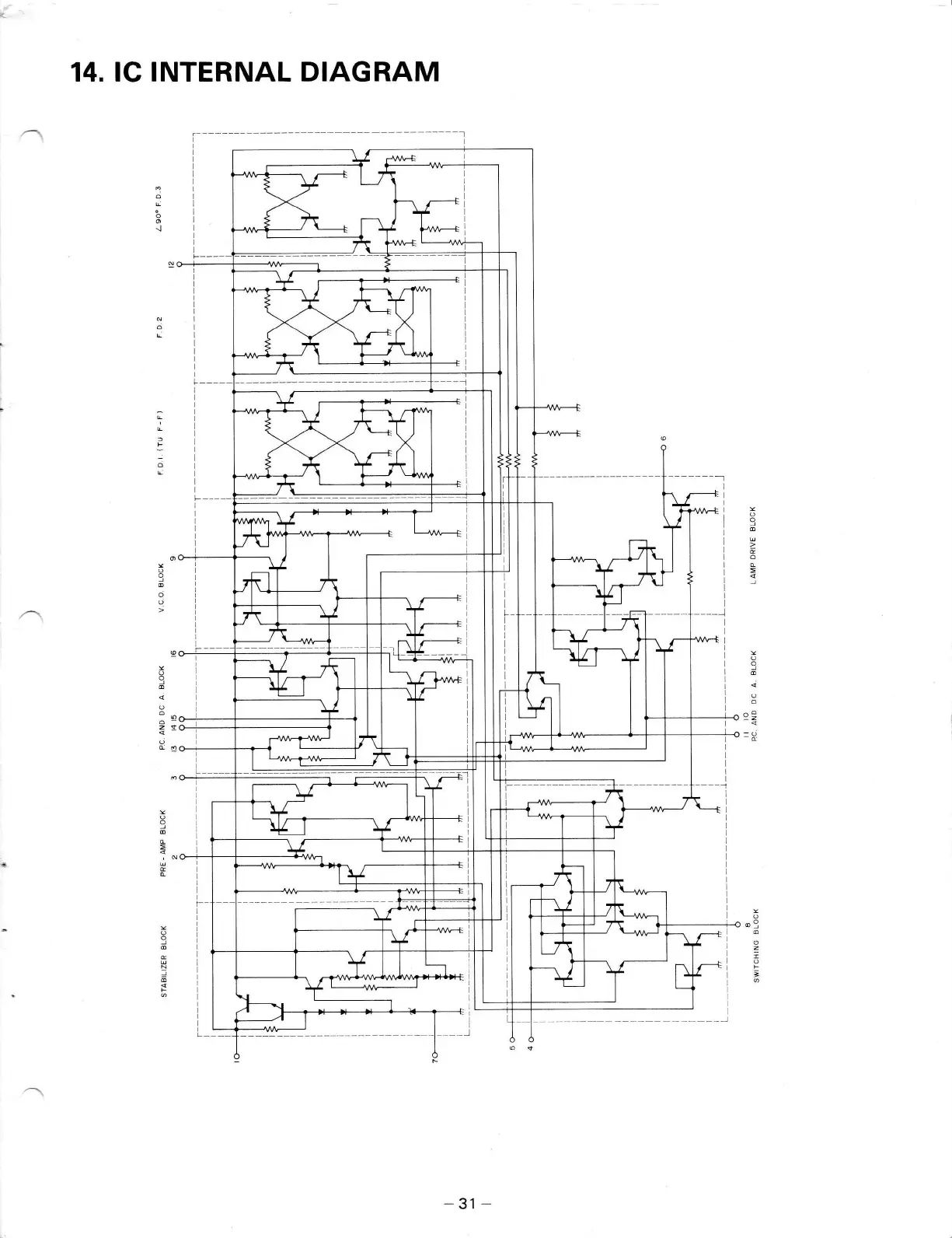
14. IC INTERNAL DIAGRAM
I
I
I
l
l
L
I
I
I
i
I
F---
I
I
I
l
I
I
I
I
I
I
t---
I
I
I
I
I
l
I
I
L,
I
I
I
o
L
9
o
=
@9
=
I
-
o
_l
9
z9
dm
=
c
9
<
{Yz
I
-31 -

Related product manuals